Share on Google+Share on FacebookShare on LinkedInShare on TwitterShare on DiggShare on Stumble Upon
Custom Search
 
  

 
of Capacitors

All commercial capacitors are named according to their dielectrics. The most common are air, mica, paper, and ceramic capacitors, plus the electrolytic type. These types of capacitors are compared in Table 1.

Capacitors in Series and Parallel

Capacitors in series are combined like resistors in parallel. The total capacitance, CT, of capacitors connected in series (Figure 13), is shown in Equation (3-9).

Figure 13 Capacitors Connected in Series

When only two capacitors are in series, Equation (3-9) may be simplified as given in Equation (3-10). As shown in Equation (3-10), this is valid when there are only two capacitors in series.

When all the capacitors in series are the same value, the total capacitance can be found by dividing the capacitor's value by the number of capacitors in series as given in Equation (3-11).

where

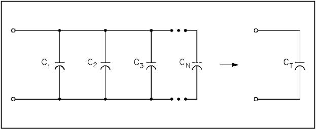
Capacitors in parallel are combined like resistors in series. When capacitors are connected in parallel (Figure 14), the total capacitance, CT, is the sum of the individual capacitances as given in Equation (3-12).

Figure 14 Capacitors Connected in Parallel

 



Managed Security Service Provider
 


Privacy Statement - Copyright Information. - Contact Us

Integrated Publishing, Inc. - A (SDVOSB) Service Disabled Veteran Owned Small Business