Share on Google+Share on FacebookShare on LinkedInShare on TwitterShare on DiggShare on Stumble Upon
Custom Search
 
  

 

Total resistance in a parallel circuit can be found by applying Ohm's Law. Divide the voltage across the parallel resistance by the total line current as shown in equation (2-9).

Example: Find the total resistance of the circuit shown in Figure 25 if the line voltage is 120 V and total current is 26A.

The total load connected to a 120 V source is the same as the single "equivalent resistance" of 4.6252 connected across the source (Figure 26). Equivalent resistance is the total resistance a combination of loads present to a circuit.

Figure 26 Equivalent Resistance in a Parallel Circuit

The total resistance in a parallel circuit can also be found by using the equation (2-10).

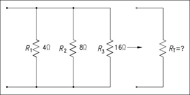
Example 1: Find the total resistance of a 452, an 852, and a 1652 resistor in parallel (Figure 27).

Figure 27 Total Resistance in a Parallel Circuit

Solution:

Note: Whenever resistors are in parallel, the total resistance is always smaller than any single branch.

Example 2: Now add a fourth resistance of 492 in parallel to the circuit in Figure 27. What is the new total resistance of the circuit?

Solution:

 



Managed Security Service Provider
 


Privacy Statement - Copyright Information. - Contact Us

Integrated Publishing, Inc. - A (SDVOSB) Service Disabled Veteran Owned Small Business