Share on Google+Share on FacebookShare on LinkedInShare on TwitterShare on DiggShare on Stumble Upon
Custom Search
 
  

 
DC CIRCUIT CALCULATIONS

Each type of DC circuit contains certain characteristics that determine the way its voltage and current behave. To begin analysis of the voltages and currents at each part of a circuit, an understanding of these characteristics is necessary.

EO 1.7Given a circuit, CALCULATE total resistance for a series or parallel circuit.

EO1.8 DESCRIBE what is meant by the term "voltage divider."

EO 1.9DESCRIBE what is meant by the term "current division."

Series Resistance

The total resistance in a series circuit is equal to the sum of all the parts of that circuit, as shown in equation (2-3).

RT = R1 + R2 + R3 ... etc. (2-3)

where

RT = resistance total

Rl, R2, and R3 = resistance in series

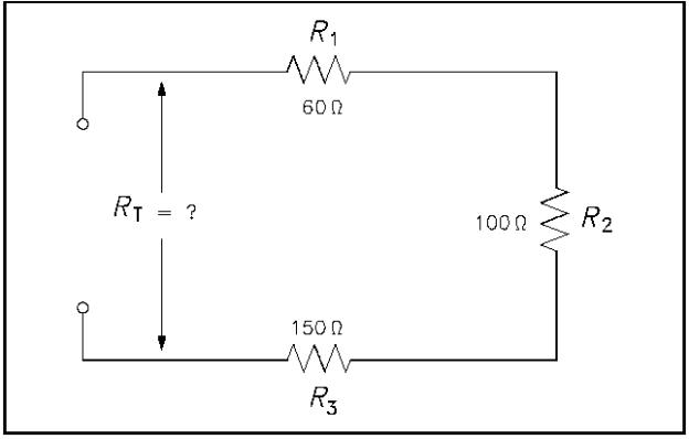
Example: A series circuit has a 60, a 100, and a 150 resistor in series (Figure 18). What is the total resistance of the circuit?

Solution:

 

Figure 18 Resistance in a Series Circuit

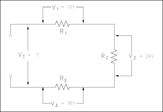
The total voltage across a series circuit is equal to the sum of the voltages across each resistor in the circuit (Figure 19) as shown in equation (2-4).

VT

V1 + V2 + V3 ...etc. (2-4)

where

 

Figure 19 Voltage Drops in a Series Circuit

Ohm's law may now be applied to the entire series circuit or to individual component parts of the circuit. When used on individual component parts, the voltage across that part is equal to the current times the resistance of that part. For the circuit shown in Figure 20, the voltage can be determined as shown below.

Figure 20 Voltage Total in a Series Circuit

To find the total voltage across a series circuit, multiply the current by the total resistance as shown in equation (2-5).

VT = IRT (2-5)

where

Example 1: A series circuit has a 50, a 75, and a 100 resistor in series (Figure 21). Find the voltage necessary to produce a current of 0.5 amps.

Figure 21 Example 1 Series Circuit

Solution:

Step 1:Find circuit current. As we already know, current is the same throughout a series circuit, which is already given as 0.5 amps.

Step 2:Find RT.

Step 3:Find VT. Use Ohm's law.

Example 2: A 120 V battery is connected in series with three resistors: 40, 60, and 100 (Figure 22). Find the voltage across each resistor.

Figure 22 Example 2 Series Circuit

Solution:

Step 1: Find total resistance.

Step 2: Find circuit current (I).

 

Step 3:Find the voltage across each component.

The voltages of V1, V2, and V3 in Example 2 are known as "voltage drops" or "IR drops." Their effect is to reduce the available voltage to be applied across the other circuit components. The sum of the voltage drops in any series circuit is always equal to the applied voltage. We can verify our answer in Example 2 by using equation (2-4).

 



Managed Security Service Provider
 


Privacy Statement - Copyright Information. - Contact Us

Integrated Publishing, Inc. - A (SDVOSB) Service Disabled Veteran Owned Small Business