Share on Google+Share on FacebookShare on LinkedInShare on TwitterShare on DiggShare on Stumble Upon
Custom Search
 
  

 

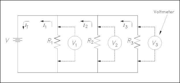
Parallel circuits are those circuits which have two or more components connected across the same voltage source (Figure 17). Resistors R1, R2, and R3 are in parallel with each other and the source. Each parallel path is a branch with its own individual current. When the current leaves the source V, part 11 of IT will flow through R1; part I2 will flow through R2; and part 13 will flow through R3. Current through each branch can be different; however, voltage throughout the circuit will be equal.

V=V1=V2= V3.

Figure 17 Parallel Circuit

Equivalent Resistance

In a parallel circuit, the total resistance of the resistors in parallel is referred to as equivalent resistance. This can be described as the total circuit resistance as seen by the voltage source. In all cases, the equivalent resistance will be less than any of the individual parallel circuit resistors. Using Ohm's Law, equivalent resistance (REQ) can be found by dividing the source voltage (V) by the total circuit current (IT), as shown in Figure 17.

Summary

The important information concerning basic DC circuits is summarized below.

DC Circuit Terminology Summary

There are four types of circuit diagrams.

- Schematic diagram

- One-line diagram

- Block diagram

- Wiring diagram

Resistivity is defined as the measure of the resistance a material imposes on current flow.

Temperature coefficient of resistance, (alpha), is defined as the amount of change of the resistance of a material for a given change in temperature.

A closed circuit is one that has a complete path for current flow.

An open circuit is one that does not have a complete path for current flow.

A short circuit is a circuit with a path that has little or no resistance to current flow.

A series circuit is one where there is only one path for current flow.

A parallel circuit is one which has two or more components connected across the same voltage source.

Equivalent resistance is the total resistance of the resistors in parallel.

 



Managed Security Service Provider
 


Privacy Statement - Copyright Information. - Contact Us

Integrated Publishing, Inc. - A (SDVOSB) Service Disabled Veteran Owned Small Business