Share on Google+Share on FacebookShare on LinkedInShare on TwitterShare on DiggShare on Stumble Upon
Custom Search
 
  

Seat/ Man and Survival Kit Release Sequencing Subsystem

The seat/ man and survival kit release sequencing subsystem has four functions. These functions are described in the following paragraphs.

AUTOMATIC RELEASE.- As the person-nel parachute inflates during the ejection sequence, the parachute risers pull on the seat/ man release lanyards. The lanyards rotate the seat pan release rod and fire the seat/ man separation initiator. Gas pressure from the initiator then actuates the inertia reel strap guillotine. Gas is also transmitted to the WORD motor and drogue release assembly and parachute container opener, but these devices will have previously operated. Rotation of the seat release shaft releases the seat pan with the attached survival kit.

MANUAL OVERRIDE RELEASE.- The pilot can override any of the post-ejection sequences by actuating the emergency release control. When it is actuated, a mechanical linkage fires the seat and man separation initiator. This directs ballistic gas to the inertia reel strap guillotine, which severs the two straps. With the straps severed, the pilot's upper torso restraint is released. Ballistic gas also shuttles the WORD motor, drogue release assembly, and the parachute container opener assembly. The personnel parachute assembly is then deployed by the drogue or the WORD motor, depending upon the airspeed at the time of manual override initiation.

GROUND EMERGENCY EGRESS.- When the emergency release control is pulled, it rotates the seat release shaft and releases the seat pan with attached survival gear from the seat. The control also operates the linkage that fires the seat and man separation initiator. Initiator gases actuate the inertia reel strap guillotine, which severs the straps that are sewn to the personnel parachute risers. The pilot can then remove the shoulder harness, stand, and exit from the aircraft without parachute hang-up. As the pilot stands, the seat pan moves unrestrained and personnel service leads pull free from their connections. Also, activation of the seat/ man separation initiator ballistically releases the WORD and drogue release and parachute container opener.

ROUTINE MAINTENANCE.- With the safe and arm control in the UP position and maintenance safety streamer safety pins installed, you must pull the emergency release control to remove the survival kit from the seat for replace-ment or maintenance.

Survival Kit

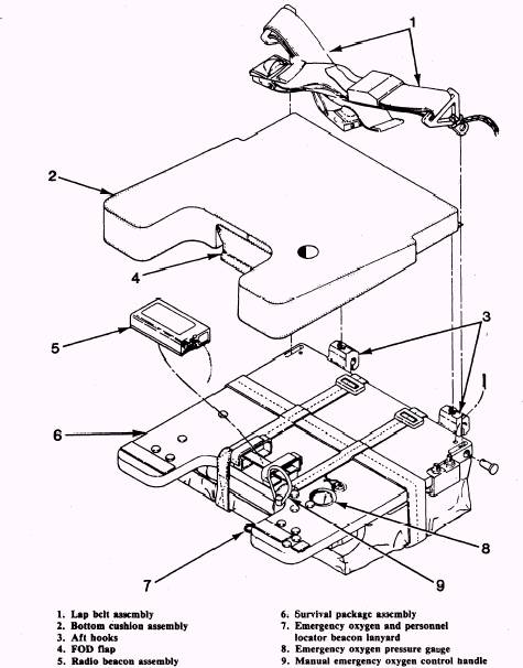
The survival kit (fig. 6-43) is a post-ejec-tion life support unit that also serves as a structural portion of the ejection seat. There are three distinct components in the kit: the seat pan, survival package, and emergency oxygen supply.

The seat pan, constructed of a honeycomb core with aluminum alloy face sheets, performs a dual function. First, it provides a base for attaching post-ejection life support equipment. Secondly, as the pilots seat in the aircraft, it provides a structurally secure attachment for the pilot's lower torso restraint belts.

The survival package is attached to the seat pan through a lanyard system. This allows the package to fall free of the seat pan and still remain near the pilot. Upon manual release, the survival package falls approximately 12 feet. It is then snubbbed by a lanyard, which inflates the life raft. The package then falls 13 feet below the raft. This stabilizes the raft during parachute descent. The survival package contains a life raft,

Figure 6-43.- Survival kit assembly.

signal devices, medical aids, and miscellaneous survival aids. The emergency oxygen supply, attached to the seat pan bottom, is a self-contained unit that can provide 50 cubic inches of breathing oxygen. It can be operated either automatically (during ejection) or manually. Automatic emergency oxygen control is provided by a lanyard assembly located on the underside of the seat pan left thigh support and is connected to the catapult cartridge manifold. During ejection, upward movement of the seat provides automatic actuation. Manual emergency oxygen control is provided by a handle and pull ring located on the inboard side of the seat pan left thigh support. An upward pull on the handle provides emergency oxygen to the pilot should the aircraft's main oxygen system fail. A pressure gauge, visible through a cutout on the forward left-hand side of the survival kit assembly, should indicate 1,800 psi (needle in the black area) with a full bottle. The emergency oxygen supply should last approximately 15 minutes, depending upon altitude and pilot demand. The higher the altitude, the shorter the duration, because oxygen is delivered by the mask regulator under pressure upon demand.

NOTE: Automatic actuation of the emergency oxygen supply also provides automatic actuation of the emergency locator beacon.

COMPONENT MAINTENANCE Since the seat assembly is designed for "one-shot" operation, it cannot be operationally checked as a unit. However, various components that contribute to the successful functioning of the seat assembly must be operationally checked and tested. It is your responsibility to check, test, and adjust ejection seat components as well as remove and replace cartridges. By using the applicable MIMs that contain the procedures for testing, adjusting, and checking components, along with diagrams, drawings, and trouble-shooting charts, you will be able to maintain the ejection seat properly and safely.

NOTE: The following material contains only typical maintenance practices and must not be used during actual component repair and tests. Use only the information contained in the applicable MIM. There are several procedural checks that may be performed on the Stencel ejection seat. For each of these checks, you should ensure that the safe/ arm control is in the SAFE (up and locked) position and that all three maintenance safety streamer safety pins are installed prior to beginning the tests. Most of the checks require that you remove the survival kit and wedge assemblies prior to starting the test and reinstall them at the completion of the test. This is not required for the height adjustment actuator check-out. When you are performing several checks in succession, you do not need to remove and reinstall the survival kit and wedge assemblies between each test. 



Managed Security Service Provider
 


Privacy Statement - Copyright Information. - Contact Us

Integrated Publishing, Inc. - A (SDVOSB) Service Disabled Veteran Owned Small Business