Share on Google+Share on FacebookShare on LinkedInShare on TwitterShare on DiggShare on Stumble Upon
Custom Search
 
  

Safe/ Arm Control Assembly Check-out

The individual actions required to check-out the safe/ arm control assembly may be grouped' into 11 major steps.

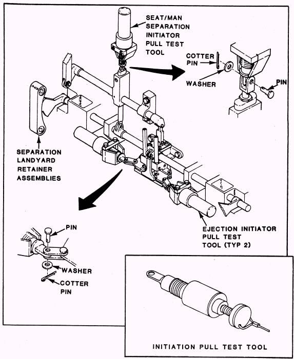
1. Install the initiator pull test tool set, as shown in figure 6-44.

2. Manually release the safe/ arm control assembly release. You should ensure that spring tension is evident in the release knob. Then, you should lower the safe/ arm control to the full DOWN position.

3. Attach a push-pull gauge to the safe/ arm control assembly and then pull upward. The handle should move upward and lock in the SAFE (full up) position with a maximum force of 10 pounds with no evidence of binding. You should observe the outboard bell crank rotate downward, disengaging the upper and lower connect and disconnect sears. Also observe that the inboard bell crank rotates upward to fully engage, the safety plunger between the initiator rotors.

4. Raise the emergency release handle to the UP and LOCKED position. You should not see movement of the upper connect and disconnect sear; however, the lower connect and disconnect sear should move down. You should check to see that the T-bar blocks the initiation rotors.

5. Lower the emergency release handle to the full DOWN position: You should see the bell crank connected to the lower sear rotating up-ward, the initiation subsystem rotors not moving, and the T-bar moving, down.

6. Observe that the initiation rotors do not move when you pull on the ejection control handle.

7. Lower the safe/ arm control assembly to the full DOWN position. You should ensure the safe/ arm control moves to the DOWN position with no evidence of binding, and the inboard bell crank moves downward and completely disengages the safety plunger from the rotors.

8. Raise the safe/ arm control assembly to the full UP position. You should ensure that the safe/ arm control is locked into position.

9. Lower the safe/ arm control assembly to the full DOWN position. The emergency release handle is raised to the UP and LOCKED position. You should observe that the upper sear moves down and the pull-test tool extends to the RELAXED position.

Figure 6-44.- Initiation pull-test tools installation.

10. Lower the emergency release handle to the control to the full UP position. Then, you remove DOWN and LOCKED position. When you pull the initiation pull-test tool set. up on the ejection control handle, you can observe that the initiation rotors move and the pull-test tool extends to the relaxed position.

11. Stow the ejection control and reset the



Managed Security Service Provider
 


Privacy Statement - Copyright Information. - Contact Us

Integrated Publishing, Inc. - A (SDVOSB) Service Disabled Veteran Owned Small Business