Share on Google+Share on FacebookShare on LinkedInShare on TwitterShare on DiggShare on Stumble Upon
Custom Search
 
  

DART Stabilization Subsystem 

The directional automatic realignment of trajectory (DART) stabilization subsystem, com-posed of a bridle, a brake assembly, and two nylon slip lines, provides stabilization for the seat and pilot during low-speed ejections. Stabilization is accomplished by correcting any misalignment of the seat and pilot center of gravity relative to the SBR thrust center line. One end of the bridle is permanently attached to the under side of the seat bucket. It acts as a hinge during DART operation. Cables attached to the other end of the bridle restrict the arc of the bridle to a predetermined angle. This ensures optimum operation. Part of each slip line is stowed in a protective fabric housing routed through the brake assembly. The remainder of the two slip lines is stowed in a second protective fabric housing after being routed through fairleads on the bridle aft side. Free ends of the slip lines are attached to the catapult cartridge manifolds of the ejection seat. Slack in the slip line permits the seat to travel through seat tip-off and initial rotation, which results from center of gravity and thrust center line misalignment. Tension developed in the slip lines by the brake assembly imparts a correcting moment to the seat and pilot. This is necessary to counteract excessive seat and pilot pitch rotation and also to provide trajectory control.

Post-ejection Sequencing Subsystem

The post-ejection sequencing subsystem includes all gas-operated and cartridge-actuated devices required to initiate operational mode sequencing functions. It also includes the WORD rocket motor, the primary means for personnel parachute deployment in the inertia-WORD (I-WORD) rocket motor deployment sequence of mode 1, and the backup means for the drogue-WORD deployment sequence of modes 2, 3, and 4.

Personnel Parachute Subsystem

The personnel parachute subsystem includes a WORD bridle assembly, riser assemblies with lanyards, spring-loaded internal pilot parachute assembly, main canopy assembly, ballistic spreading-gun assembly, and an override and

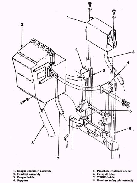
Figure 6-42.- Headrest and drogue container assemblies.

disconnect assembly. The riser assemblies with lanyards initiate the spreading gun and the seat and man separation. When the parachute container opener is actuated, either one of the two locking clips will disengage and release a ball fitting on the end of a restraining cable. This action allows the container to open and the main canopy assembly to deploy. The canopy assembly is propelled by the WORD bridle, which is acted upon by the force of the drogue and WORD motor. Should the WORD bridle fail, the internal pilot parachute functions as a backup system. When the main canopy and suspension lines are fully deployed, the spreading-gun firing lanyard exerts tension on a spring-loaded firing pin in the ballistic spreading-gun assembly. This pin is withdrawn until the pin-locking balls slip into a groove in the gun housing. Then, the firing pin, driven by spring force, releases, strikes, and fires dual primers that ignite the spreading gun cartridge. Cartridge energy drives 14 pistons (attached to alternate suspension lines), which expel 14 slugs in a 360-degree pattern and spread the main canopy. Should the spreading gun cartridge fail to fire, continued tension on the firing lanyard removes a piston-retain-ing band. This frees the slugs from the spreading-gun housing to allow conventional canopy inflation. During main canopy deployment, tension is exerted on the pilot chute and main canopy by the WORD bridle. Also, during this time, the override and disconnect will secure the WORD bridle to the parachute. If there is no tension on the WORD bridle and the chute has over 10 pounds of drag, the override and disconnect will function to jettison the drogue chute, drogue bridle, WORD motor, and WORD bridle.



Managed Security Service Provider
 


Privacy Statement - Copyright Information. - Contact Us

Integrated Publishing, Inc. - A (SDVOSB) Service Disabled Veteran Owned Small Business