Order this information in Print

Order this information on CD-ROM

Download in PDF Format

     

Click here to make tpub.com your Home Page

Page Title: Fallout Zones
Back | Up | Next

tpub.com Updates

Google


Web
www.tpub.com

Home

   
Information Categories
.... Administration
Advancement
Aerographer
Automotive
Aviation
Combat
Construction
Diving
Draftsman
Engineering
Electronics
Food and Cooking
Math
Medical
Music
Nuclear Fundamentals
Photography
Religion
USMC
   
Products
  Educational CD-ROM's
Printed Manuals
Downloadable Books
   

 

Back ] Home ] Up ] Next ]

Click here to Order your Radar Equipment Online

Fallout Zones

There are two hazardous fallout zones. Zone I is the Zone of Immediate Operational Concern, and Zone II is the Zone of Secondary Hazard.

ZONE I. Exposed unprotected personnel in this zone may be subject to doses of radioactivity of 150 rads or greater in relatively short periods of time (less than 4 hours after actual arrival of RADFO). Major disruptions of unit operations and high casualty levels are possible.

ZONE II. Within this zone, exposed un-protected personnel are expected to receive less than 150 rads within 4-hours of the RADFOs arrival. The emergency risk dose is 150 rads.

Within the first 24 hours of the RADFOs arrival, dosages of 50 rads or greater may be expected. Personnel with no previous radiation exposure can continue critical missions for as long as 4 hours after the arrival of RADFO without incurring the 150-rad emergency risk dose.

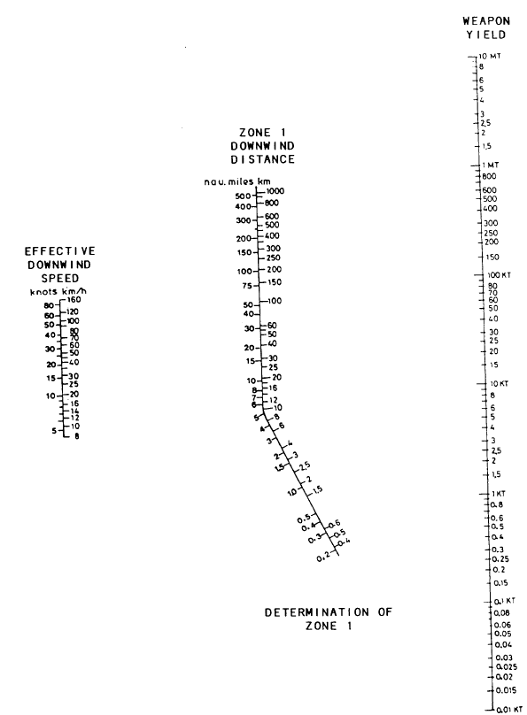
Figure 6-9-7.-Zone I downwind distance nomogram.

Outside these two zones, exposed unprotected personnel may receive a total dose of less than 50 rads in the first 24 hours after the arrival of RADFO.

Determine the downwind distance to Zone I using the nomogram in figure 6-9-7. Use a straightedge and draw a line from the weapon yield, on the scale on the right, to the EDF speed on the wind-speed scale. Read the downwind distance to the outer limit of Zone I where the straightedge intersects the center scale. To obtain

Figure 6-9-8.-Radial lines, cloud radius circle, and Zone I and Zone II arcs.

Figure 6-9-9.-Cloud radius circle and tangent lines.

the distance to the outer limit of Zone II, you simply multiply the distance to Zone I by 2. Draw arcs at these distances on the vector plot. See figure 6-9-8.

The boundaries of the fallout zones are determined as follows:

1. Determine the cloud radius, using the nomogram in figure 6-9-3.

2. Draw a circle around GZ, using the radius from step 1.

3. Draw two lines tangent to the cloud radius circle that intersect the downwind distance arc of Zone I and Zone II along the radial lines GZ-CT and GZ-2/3 S. See figure 6-9-9.

NOTE: In cases where the angle has been expanded, the expanded angle is used.

The estimated time that fallout will arrive at a particular location is a function of the EDF speed. For example, if the EDF speed is 20 kilometers per hour, the fallout is estimated to arrive at a point 20 kilometers downwind from GZ in 1 hour, 40 kilo-meters downwind in 2 hours, and so forth.

When the EDF speed is less than 8 kilometers per hour, the predicted fallout area will be circular. Two concentric circles are drawn around GZ that are equal to the Zone I and Zone II distances, respectively.

Figure 6-9-10 is an example of a completed detailed fallout plot. The final plot indicates the

Figure 6-9-10.-Completed detailed fallout prediction.

map scale used, the weapon yield (estimated or actual), the date-time of the burst, the location of the burst, and the EDF speed.

Learning Objective: Diagram the zones of the most hazardous fallout using the Downwind Message.

Back ] Home ] Up ] Next ]

 

Privacy Statement - Press Release - Copyright Information. - Contact Us - Support Integrated Publishing

Integrated Publishing, Inc. - A (SDVOSB) Service Disabled Veteran Owned Small Business