Share on Google+Share on FacebookShare on LinkedInShare on TwitterShare on DiggShare on Stumble Upon
Custom Search
 
  

 
Electrical Details

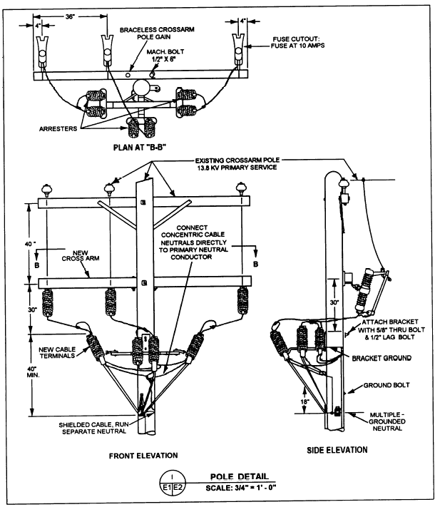
The purpose of details is to leave little doubt about the exact requirements of a construction job. In pre-paring the details for the installation shown in figure 2-15, the designer chose to begin at the existing pole and work towards the new transformer pad. Figure 2-16 is a detail of the existing pole. This detail leaves little doubt about the requirements at the pole. For example, it shows the existing pole, crossarm, the existing 13.8-kV feeder, and required clearance distances. It also shows that the new circuit taps the existing conductors and then

Figure 2-16.Pole detail for use with the site plan shown in figure 2-15.

Figure 2-17.Cable-trench detail for use with the site plan shown in Figure 2-15.

runs to three new 10-ampere fused cutouts before running to the new cable terminals and lightning arresters.

Figure 2-16 also shows that a new three-wire shielded cable is connected to the cable terminators and runs down the pole. From the pole, the cable is then run, as shown in figure 2-17, at a specified distance underground to the new transformer pad. Figure 2-18 is a detail of the pad that the designer included in the working drawings for the circuit installation. As you can see, these details leave little doubt about the job requirements. However, other information, such as specified material requirements for the concrete, cables, conduit, and so forth; specified procedures for backfilling the trench and placing the concrete; and any other information necessary to a fill understanding of the material and installation requirements should also be shown on the drawings or in the project specifications.

The preceding discussions of electrical trans-mission and distribution systems, distribution plans, and electrical details should leave you in a better position to aid the engineering officer or other design engineers. However, to increase your knowledge and to become even more valuable as an EA, you should further your studies by reading other publications, including the CE TRAMANs and commercial publications, such as The Linemans and Cablemans Handbook by Kurtz and Shoemaker.

Now let us look at some other utility systems that you will be involved with.



Managed Security Service Provider
 


Privacy Statement - Copyright Information. - Contact Us

Integrated Publishing, Inc. - A (SDVOSB) Service Disabled Veteran Owned Small Business