Share on Google+Share on FacebookShare on LinkedInShare on TwitterShare on DiggShare on Stumble Upon
Custom Search
 
  

 
Divider

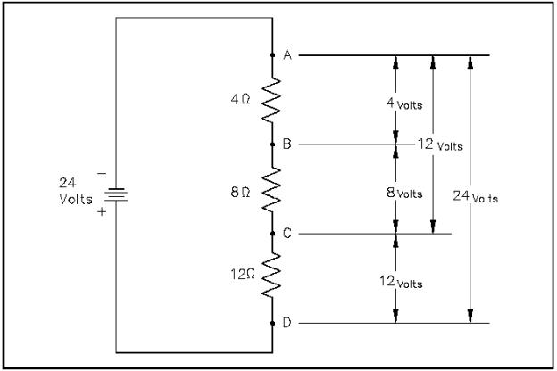
A voltage divider, or network, is used when it is necessary to obtain different values of voltage from a single energy source. A simple voltage divider is shown in Figure 29. In this circuit, 24 volts is applied to three resistors in series. The total resistance limits the current through the circuit to one ampere. Individual voltages are found as follows using equation (2-12).

Figure 29 Voltage Divider

Current Division

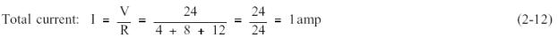
Sometimes it is necessary to find the individual branch currents in a parallel circuit when only resistance and total current are known. When only two branches are involved, the current in one branch will be some fraction of IT. The resistance in each circuit can be used to divide the total current into fractional currents in each branch. This process is known as current division.

Note that the equation for each branch current has the opposite R in the numerator. This is because each branch current is inversely proportional to the branch resistance.

Example: Find branch current for h and 12 for the circuit shown in Figure 30.

Figure 30 Current Division Example Circuit

Solution:

Since II and IT were known, we could have also simply subtracted II from IT to find I2:

 



Managed Security Service Provider
 


Privacy Statement - Copyright Information. - Contact Us

Integrated Publishing, Inc. - A (SDVOSB) Service Disabled Veteran Owned Small Business