Share on Google+Share on FacebookShare on LinkedInShare on TwitterShare on DiggShare on Stumble Upon
Custom Search
 
  

 

Transformers can be constructed so that they are designed to perform a specific function. A basic understanding of the various types of transformers is necessary to understand the role transformers play in today's nuclear facilities.

EO 1.4STATE the applications of each of the following types of transformers:

a. Distribution

b. Power

c. Control

d. Auto

e. Isolation

f. Instrument potential

g. Instrument current

Types of Transformers

Transformers are constructed so that their characteristics match the application for which they are intended. The differences in construction may involve the size of the windings or the relationship between the primary and secondary windings. Transformer types are also designated by the function the transformer serves in a circuit, such as an isolation transformer.

Distribution Transformer

Distribution transformers are generally used in electrical power distribution and transmission systems. This class of transformer has the highest power, or volt-ampere ratings, and the highest continuous voltage rating. The power rating is normally determined by the type of cooling methods the transformer may use. Some commonly-used methods of cooling are by using oil or some other heat-conducting material. Ampere rating is increased in a distribution transformer by increasing the size of the primary and secondary windings; voltage ratings are increased by increasing the voltage rating of the insulation used in making the transformer.

Power Transformer

Power transformers are used in electronic circuits and come in many different types and applications. Electronics or power transformers are sometimes considered to be those with ratings of 300 volt-amperes and below. These transformers normally provide power to the power supply of an electronic device, such as in power amplifiers in audio receivers.

Control Transformer

Control transformers are generally used in electronic circuits that require constant voltage or constant current with a low power or volt-amp rating. Various filtering devices, such as capacitors, are used to minimize the variations in the output. This results in a more constant voltage or current.

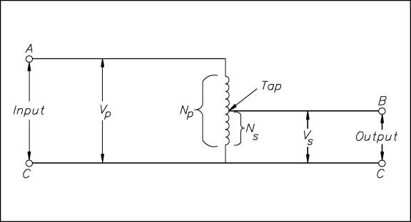
Auto Transformer

The auto transformer is generally used in low power applications where a variable voltage is required. The auto transformer is a special type of power transformer. It consists of only one winding. By tapping or connecting at certain points along the winding, different voltages can be obtained (Figure 8).

Figure 8 Auto Transformer Schematic

Isolation Transformer

Isolation transformers are normally low power transformers used to isolate noise from or to ground electronic circuits. Since a transformer cannot pass DC voltage from primary to secondary, any DC voltage (such as noise) cannot be passed, and the transformer acts to isolate this noise.

Instrument Potential Transformer

The instrument potential transformer (PT) steps down voltage of a circuit to a low value that can be effectively and safely used for operation of instruments such as ammeters, voltmeters, watt meters, and relays used for various protective purposes.

Instrument Current Transformer

The instrument current transformer (CT) steps down the current of a circuit to a lower value and is used in the same types of equipment as a potential transformer. This is done by constructing the secondary coil consisting of many turns of wire, around the primary coil, which contains only a few turns of wire. In this manner, measurements of high values of current can be obtained.

A current transformer should always be short-circuited when not connected to an external load. Because the magnetic circuit of a current transformer is designed for low magnetizing current when under load, this large increase in magnetizing current will build up a large flux in the magnetic circuit and cause the transformer to act as a step-up transformer, inducing an excessively high voltage in the secondary when under no load.

Summary

The important information covered in this chapter is summarized below.

Transformer Types Summary

Distribution transformers are generally used in power distribution and transmission systems.

Power transformers are used in electronic circuits and come in many different types and applications.

Control transformers are generally used in circuits that require constant voltage or constant current with a low power or volt-amp rating.

Auto transformers are generally used in low power applications where a variable voltage is required.

Isolation transformers are normally low power transformers used to isolate noise from or to ground electronic circuits.

Instrument potential and instrument current transformers are used for operation of instruments such as ammeters, voltmeters, watt meters, and relays used for various protective purposes.

 



Managed Security Service Provider
 


Privacy Statement - Copyright Information. - Contact Us

Integrated Publishing, Inc. - A (SDVOSB) Service Disabled Veteran Owned Small Business