Share on Google+Share on FacebookShare on LinkedInShare on TwitterShare on DiggShare on Stumble Upon
Custom Search
 
  

System Components

Seven components are used to control cabin temperature. These components are discussed in the following paragraphs.

CABIN TEMPERATURE CONTROL MODU-LATING VALVE.- The cabin temperature control modulating valve has a visual position indicator and is spring-loaded to the closed position. It is located between the hot bleed-air duct going to the refrigeration unit and the cooled air duct coming from the refrigeration unit. The cabin air temperature control provides electrical power to a torque motor in the valve, which converts electrical signals into pneumatic signals that modulate the butterfly to a specific opening.

CABIN AIR TEMPERATURE CONTROL.-

The cabin air temperature control, which is located in the cabin inlet duct, senses duct temperature with two thermistors and a control circuit for signal comparison. The cabin air temperature control output signal is in proportion to the sensed temperature differential between the inlet duct temperature and an input from the cabin air temperature sensor. The output of the cabin air temperature control, which goes through the cabin air temperature selector, provides a controlling signal for the cabin temperature control valve.

CABIN AIR HIGH-TEMPERATURE LIMIT THERMOSTAT.- The cabin air high-temperature limit thermostat is a pneumatic control valve that actuates as a function of cabin inlet air temperature sensed at the cabin air inlet duct. The thermostat's internal valve opens between 182 and 200F and dumps regulated air pressure from the cabin temperature control valve and the nonice and low-limit control valve. This induces both valves to close.

The thermostat uses a temperature-sensing liquid contained in a sealed-wall probe. Vapor forms above the liquid, varies in pressure with surrounding temperature, and actuates a disc spring that dumps the air pressure supply.

CABIN AIR TEMPERATURE CONTROL SENSOR.- The cabin air temperature sensor, located mid cabin, consists of two thermistor probes in parallel that have a nominal 4,000-ohm resistance at 77F. The sensor, which operates over a temperature range of 55 to 85F, is connected to the cabin air temperature control, and it is designed to control cabin temperature to within 3F of the selected temperature.

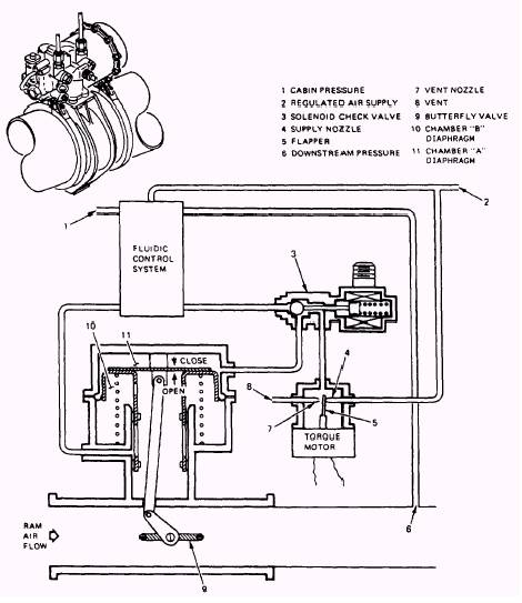
RAM-AIR SHUTOFF VALVE.- The ramair shutoff valve (fig. 4-11) consists of a butterfly valve (9) and linkage. It is opened by a spring and closed by an air-pressure actuated diaphragm (11). The diaphragm is activated by a regulated air

Figure 4-11.-Ram-air shutoff valve schematic. 4-17

supply that is controlled by a fluidic control system or a torque motor and flapper (5), depending upon whether the solenoid is energized or de-energized.

During the ram-air augmentation mode (automatic mode), the ram-air shutoff valve regulates downstream pressure to a fixed differential of 7.5 2 inches of water above cabin pressure. The

automatic mode is selected by energizing the solenoid. This allows the fluidic control to establish the differential across the valve actuator as determined by valve downstream pressure (6) and cabin pressure (1).

During manual operation (override mode), the auxiliary vent switch on the environmental panel is used to place the ram-air shutoff valve in any position from fully closed to fully open by varying electrical power to the valve torque motor. In the override mode, selected by de-energizing the solenoid, power is applied to the torque motor to close the pneumatic supply pressure nozzle and to open the vent nozzle, thereby lessening the ramair shutoff valve actuator closing pressure. This permits the actuator spring to move the butterfly toward an open position.

RAM-AIR HIGH-AND LOW-TEMPERA-TURE LIMIT SWITCH.- The ram-air high- and low-temperature limit switch senses air temperature at the ram-air inlet duct. There are two circuits in the ram-air high- and low-temperature limit switch that are normally closed. One circuit opens with decreasing ram-air temperature, and the other opens with increasing ram-air temperature. The ram-air high- and low-temperature limit switch circuitry is interconnected with the bleedair flow control valve, the ram-air shutoff valve, and the auxiliary vent switch. The ram-air highand low-temperature limit switch operation controls the ram-air shutoff valve position when the ram-air shutoff valve is operating in the automatic mode.

GROUND AIR SUPPLY CHECK VALVE AND GROUND COOLING AIR CONNEC-TOR.- Support equipment provides low-pressure conditioned air when it is attached to the ground cooling air connector. The connector is located on the right side of the aircraft in the right wheel well at fuselage station (FS) 465. It is accessible through a hinged door on the underside of the sonobuoy deck. The connector consists of a silicone-impregnated nylon hose and a clamp supporting the air check valve.

The ground air check valve is a 4-inch diameter, split-flapper valve spring-loaded to the closed position. Ground cooling air opens the check valve and closes the ram and recirculated air check valves. The ground source low-pressure air bypasses the refrigeration unit and enters the cabin area because the air-conditioning system is not used when low-pressure ground air is connected. Therefore, the bleed-air flow control valve will be closed.



Managed Security Service Provider
 


Privacy Statement - Copyright Information. - Contact Us

Integrated Publishing, Inc. - A (SDVOSB) Service Disabled Veteran Owned Small Business