Share on Google+Share on FacebookShare on LinkedInShare on TwitterShare on DiggShare on Stumble Upon
Custom Search
 
  

ROCKET CATAPULT.- The rocket catapult provides the necessary propulsion to eject the seat and crew member from the aircraft during the ejection sequence. The performance capability of the rocket catapult at zero altitude and zero airspeed reduces the effects of high sink rate and nosedown attitudes encountered during critical approach and landing operations. The rocket catapult is secured at the top center of the seat back, and is supported at the base by twin barrels of the seat adjustment actuator. Two attachments on the actuator secure the actuator to the aircraft bulkhead.

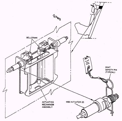
M99 INITIATORS.- Two M99 initiators are installed on the M99 initiator actuating mechanism (fig. 6-5) near the top of each canted bulkhead behind the pilot's and copilot's seats, and one M99 initiator is installed at each tactical air coordinator (TACCO) and sensor operator (SENSO) seat location. The M99 initiator is a mechanically fired, pressure-developing source. Each M99 initiator, consisting of a constant-volume cylinder with a tube connection at one end, contains a mechanically fired mechanism and cartridge. The M99 initiator firing mechanism can be secured in a safe position by a safety pin that passes through the cap and a groove on the side of the M99 initiator pin. Pulling either the primary or secondary ejection control handle initiates the ejection sequence, which, in turn, rotates the firing control disconnect, moves two firing rods

Figure 6-5.- M99 initiator location.

aft to rotate the actuating mechanism bell crank( s) that fires the initiator( s).

M99 INITIATOR ACTUATING MECH-ANISM.- The actuating mechanism is located between the guide rails, and is attached to the upper section of each canted bulkhead, behind each crew member's seat. The actuating mechan-ism for the forward seats have dual bell cranks (striker plates) and clevises to actuate the two M99 initiators installed on each side of the actuating mechanism. Since each aft seat requires one M99 initiator for the ejection sequence, the actuating mechanism is a single bell crank and clevis arrangement. During the seat ejection sequence, the seat-mounted firing rods are moved aft to rotate the actuating mechanism bell crank( s) and clevis( es) to fire the M99 initiator( s). Refer to figure 6-6 while reading the follow-ing text.



Managed Security Service Provider
 


Privacy Statement - Copyright Information. - Contact Us

Integrated Publishing, Inc. - A (SDVOSB) Service Disabled Veteran Owned Small Business