Share on Google+Share on FacebookShare on LinkedInShare on TwitterShare on DiggShare on Stumble Upon
Custom Search
 
  

Aircraft-Attached Ejection Seat Components

The following ejection seat related com-ponents are located on the aircraft structure and remain in the aircraft when the seat is removed for maintenance.

GUIDE RAILS.- Two guide rails are located on each canted bulkhead behind each crew member. Each set of guide rails is machined from aluminum extrusions. Each outboard rail has a machined cam at the top to release the aero-dynamic yaw vane as the seat travels up the guide rails. Two holes in each inboard guide rail allow installation of two seat servicing pins to support each seat at the 42-inch alternate maintenance position.

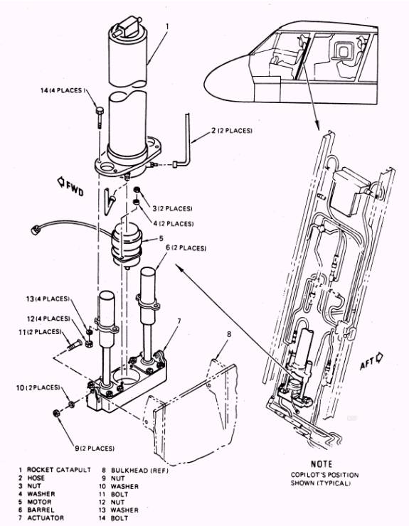
SEAT CONTROL SYSTEM.- The seat con-trol system permits vertical height adjustment of each crew member's seat before and during' nor-mal flight. Phase reversal of two phases of a three-phase power source permits raising or lowering each seat according to the selected UP or DOWN position of the switch on the SEAT panel on the side console at each crew member station (fig. 6-3). The seat control system consists of a seat switch and a seat adjustment actuator and motor. Seat adjustment is provided by a

Figure 6-3.- Seat control panel and seat switch.

Figure 6-4.- Seat adjustment actuator and motor assembly.

twin-barrel electromechanical actuator (fig. 6-4), which is driven by a 115/ 200-volt, 400-Hz, three-phase, four-pole induction motor. The motor is geared to a reduction gear train, which drives two screw barrels that are attached to mating flanges on the base of the rocket catapult. The rocket catapult is bolted to the top of the seat structure, which allows a 5.5-inch up and down adjustment of the seat parallel to the guide rails. Six rollers on the seat allow the seat to move up or down the guide rails.



Managed Security Service Provider
 


Privacy Statement - Copyright Information. - Contact Us

Integrated Publishing, Inc. - A (SDVOSB) Service Disabled Veteran Owned Small Business