power supply and its components. The following summary is provided to enhance your understanding of power supplies. POWER SUPPLIES are electronic circuits designed to convert ac to dc at any desired level. Almost all power supplies are composed of four sections: transformer, rectifier, filter, and regulator. ">

Share on Google+Share on FacebookShare on LinkedInShare on TwitterShare on DiggShare on Stumble Upon
Custom Search
 
  

SUMMARY

This chapter has presented you with a basic description of the theory and operation of a basic power supply and its components. The following summary is provided to enhance your understanding of power supplies.

POWER SUPPLIES are electronic circuits designed to convert ac to dc at any desired level. Almost all power supplies are composed of four sections: transformer, rectifier, filter, and regulator.

The POWER TRANSFORMER is the input transformer for the power supply.

The RECTIFIER is the section of the power supply that contains the secondary windings of the power transformer and the rectifier circuit. The rectifier uses the ability of a diode to conduct during one half cycle of ac to convert ac to dc.

HALF-WAVE RECTIFIERS give an output on only one half cycle of the input ac. For this reason, the pulses of dc are separated by a period of one half cycle of zero potential voltage.

FULL-WAVE RECTIFIERS conduct on both halves of the input ac cycles. As a result, the dc pulses are not separated from each other. A characteristic of full-wave rectifiers is the use of a center-tapped, high-voltage secondary. Because of the center tap, the output of the rectifier is limited to one-half of the input voltage of the high-voltage secondary.

BRIDGE RECTIFIERS are full-wave rectifiers that do not use a center-tapped, high-voltage secondary. Because of this, their dc output voltage is equal to the input voltage from the high-voltage secondary of the power transformer. Bridge rectifiers use four diodes connected in a bridge network. Diodes conduct in diagonal pairs to give a full-wave pulsating dc output.

FILTER CIRCUITS are designed to smooth, or filter, the ripple voltage present on the pulsating dc output of the rectifier. This is done by an electrical device that has the ability to store energy and to release the stored energy.

CAPACITANCE FILTERS are nothing more than large capacitors placed across the output of the rectifier section. Because of the large size of the capacitors, fast charge paths, and slow discharge paths, the capacitor will charge to average value, which will keep the pulsating dc output from reaching zero volts.

INDUCTOR FILTERS use an inductor called a choke to filter the pulsating dc input. Because of the impedance offered to circuit current, the output of the filter is at a lower amplitude than the input.

PI-TYPE FILTERS use both capacitive and inductive filters connected in a pi-type configuration. By combining filtering devices, the ability of the pi filter to remove ripple voltage is superior to that of either the capacitance or inductance filter.

VOLTAGE REGULATORS are circuits designed to maintain the output of power supplies at a constant amplitude despite variations of the ac source voltage or changes of the resistance of the load. This is done by creating a voltage divider of a resistive element in the regulator and the resistance of the load. Regulation is achieved by varying the resistance of the resistive element in the regulator.

A SERIES REGULATOR uses a variable resistance in series with the load. Regulation is achieved by varying this resistance either to increase or to decrease the voltage drop across the resistive element of the regulator. Characteristically, the resistance of the variable resistance moves in the same direction as the load. When the resistance of the load increases, the variable resistance of the regulator increases; when load resistance decreases, the variable resistance of the regulator decreases.

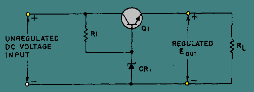
SHUNT REGULATORS use a variable resistance placed in parallel with the load. Regulation is achieved by keeping the resistance of the load constant. Characteristically the resistance of the shunt moves in the opposite direction of the resistance of the load.

The CURRENT LIMITER is a short-circuit protection device that automatically limits the current to a safe value. This is done when the current-limiting transistor senses an increase in load current. At this time the current-limiting transistor decreases the voltage on the base of the pass transistor in the regulator, causing a decrease in its conduction. Therefore, current cannot rise above a safe value.

TROUBLESHOOTING is a method of detecting and repairing problems in electronic equipment. Two methods commonly used are the VISUAL CHECK and SIGNAL TRACING. The visual check allows the technician to make a quick check of component problems, such as shorts, discolored or leaky transformers, loose or broken connections, damaged resistors or capacitors, smoking parts, or sparking. The signal tracing method is used when the technician cannot readily see the problem and needs to use test equipment. Component failure is also important in troubleshooting. In transformers and chokes, a winding can open, or two or more windings can short, either to themselves or to the case that is usually grounded. In a capacitor only two things can occur: either it can short and act as a resistor, or it can open, removing it from the circuit. A resistor can open, increase in value, or decrease in value.



Managed Security Service Provider


Privacy Statement - Copyright Information. - Contact Us

Integrated Publishing, Inc. - A (SDVOSB) Service Disabled Veteran Owned Small Business