Share on Google+Share on FacebookShare on LinkedInShare on TwitterShare on DiggShare on Stumble Upon
Custom Search
 
  

SUMMARY

The important points of this chapter are summarized in the following summary. You should be familiar with these points before continuing with the study of electricity.

CIRCUIT MEASUREMENT is used to monitor the operation of a piece of electrical or electronic equipment and determine the reason the equipment is not functioning properly. In-circuit meters monitor the operation of equipment and out-of-circuit meters can be used on more than one device.

A compass will react to the magnetic field around a conducting wire. As the current increases, the compass movement increases. If the current decreases, the compass movement is less. If the current direction changes, the compass movement changes direction. PERMANENT-MAGNET MOVING-COIL meter movement (d'Arsonval movement) uses the interaction of magnetic fields to produce movement.

32NE0211.GIF (4536 bytes)

32NE0218.GIF (35189 bytes)

If a compass is placed close to a conductor with ac, the compass will follow the current alternations if the ac is of low frequency. A rectifier will allow the compass to react to the average value of the ac.

32NE0220.GIF (4866 bytes)

32NE0222.GIF (3864 bytes)

DAMPING is used to smooth out the vibration and to help prevent overshooting of the meter pointer. Damping in a d'Arsonval meter movement is accomplished by the emf caused by the coil movement. A second damping system uses a vane attached to the coil in an airtight chamber. A meter movement reacts to the average value of ac, but the scale is calibrated to read the effective (rms) value.

32NE0223.GIF (36571 bytes)

There are meter movements that will measure either ac or dc without the use of a rectifier. They are the ELECTRODYNAMIC, MOVING-VANE, and HOT-WIRE or THERMOCOUPLE movements.

Electrodynamic meter movements are usually used in wattmeters. They operate much like a d'Arsonval meter movement, except field coils are used instead of a permanent magnet.

32NE0224.GIF (19630 bytes)

The moving-vane meter movement operates on the principle of magnetic repulsion of like poles. This movement will measure either current or voltage.

32NE0225.GIF (10472 bytes)

The hot-wire movement is only used to measure current. It is based on the expansion of a wire heated by current through the wire.

32NE0226.GIF (4177 bytes)

The thermocouple movement uses the current being developed in a thermocouple when the heat of a resistive wire is transferred to the thermocouple. The developed current is measured by a very sensitive dc ammeter. This movement will measure only current.

32NE0227.GIF (3743 bytes)

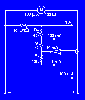
An AMMETER measures current. It is always connected in series with the circuit being measured. An ammeter should have a small resistance so the effect of the ammeter on the circuit will be kept to a minimum. Ammeter sensitivity is the amount of current that causes 0 full scale deflection of the ammeter. Shunt F resistors are used to provide an ammeter's ranges.

The following SAFETY PRECAUTIONS should be observed when using an ammeter.

  • Always connect an ammeter in series.
  • Always start with the highest range.
  • Deenergize and discharge the circuit before connecting or disconnecting an ammeter.
  • Never use a dc ammeter to measure ac.
  • In dc ammeters, observe the proper polarity.

32NE0231.GIF (3223 bytes)

VOLTMETERS are used to measure voltage. They are always connected in parallel with the circuit being measured. A voltmeter should have a high resistance compared to the circuit being measured to minimize the loading effect. Since the resistance of a meter movement is constant, a voltmeter can be made from a current-sensitive meter movement by the use of range resistors and an appropriate scale. Voltmeter sensitivity is expressed in ohms per volt.

An electrostatic meter movement reacts to voltage rather than current and is used only for high-voltage measurements.

The following SAFETY PRECAUTIONS should be observed when using a voltmeter.

  • Always connect a voltmeter in parallel.
  • Always start with the highest range.
  • Deenergize and discharge the circuit before connecting or disconnecting the voltmeter.
  • Never use a dc voltmeter to measure an ac voltage.
  • On a dc voltmeter, observe the proper polarity.

32NE0238.GIF (3448 bytes)

OHMMETERS are used to measure resistance and to check continuity. An ohmmeter is connected in series with the resistance being measured. The ohmmeter range which allows a midscale indication should be selected. Resistors are used to allow an ohmmeter to have several ranges.

In a SERIES OHMMETER the resistors are used in series with the resistance being measured. Series ohmmeters have the 0 indication on the right side of the scale.

32NE0242.GIF (9744 bytes)

A SHUNT OHMMETER's internal range resistors are in parallel with the resistance being measured. A shunt ohmmeter will have the 0 indication on the left side of the scale.

The following SAFETY PRECAUTIONS should be observed when using an ohmmeter.

  • Deenergize and discharge the circuit before connecting an ohmmeter.
  • Do not apply power while measuring resistance.
  • Switch ohmmeters OFF, if a setting is provided, or to the highest range and remove the meter leads from the meter when finished measuring resistance.
  • Adjust the ohmmeter after changing ranges and before measuring resistance.

32NE0244.GIF (3036 bytes)

A MEGOHMMETER (MEGGER) is used to measure very large resistances, such as the insulation of wiring. To use a megger, isolate the resistance being measured from other circuits, connect the meter leads, turn the hand crank, and note the meter indication. Normal insulation will indicate infinity.

The following SAFETY PRECAUTIONS should be observed when using a megger. Use meggers for high-resistance measurements only.

  • Never touch the test leads while the handle is being cranked.
  • Deenergize and discharge the circuit completely before connecting a megger.
  • Disconnect the item being checked from other circuitry, if possible, before using megger.

32NE0245.GIF (28847 bytes)

A MULTIMETER is a single meter that combines the functions of a dc ammeter, a dc voltmeter, an ac ammeter, an ac voltmeter, and an ohmmeter. It is more convenient to have one meter with several functions than several meters each with a single function. The various functions of a multimeter are selected by use of the appropriate function switch positions, jacks, and meter scales. A mirror may be used on the scale of a multimeter to eliminate parallax error.

The following SAFETY PRECAUTIONS should be observed when using a multimeter.

  • Deenergize and discharge the circuit completely before connecting a multimeter.
  • Never apply power to the circuit while measuring resistance with a multimeter.
  • Connect the multimeter in series with the circuit for current measurements and in parallel for voltage measurements.
  • Be certain the multimeter is switched to ac before attempting to measure ac circuits.
  • Observe proper dc polarity when measuring dc circuits.
  • When you are finished with a multimeter, switch it to the OFF position, if available. If there is no OFF position, switch the multimeter to the highest ac voltage position.
  • Always start with the highest voltage or current range.
  • Select a final range that allows a reading near the middle of the scale.
  • Adjust the "0 ohms" reading after changing resistance ranges and before making a resistance measurement.
  • Be certain to read ac measurements on the ac scale of a multimeter.

32NE0246.GIF (12228 bytes)

A HOOK-ON TYPE VOLTAMETER allows you to measure current safely and easily (with no need to disconnect the wiring of the circuit). A hook-on type voltameter uses a split-core transformer to measure current.

32NE0252.GIF (12575 bytes)

A WATTMETER is usually an electrodynamic meter and is used to measure power.

32NE0253.GIF (34063 bytes)

A WATT-HOUR METER is basically a small motor whose instantaneous speed is proportional to the power through the motor.

The total revolutions in a given time are proportional to the total energy, or watt-hours, used during that time. Watt-hour meters measure energy.

32NE0255.GIF (35915 bytes)

FREQUENCY METERS are used to measure the frequency of an ac signal. The two basic types are the vibrating-reed frequency meter which is usually used as an in-circuit meter, and the moving-disk frequency meter which is usually used as an out-of-circuit meter.

32NE0256.GIF (26926 bytes)

32NE0257.GIF (6061 bytes)



Managed Security Service Provider


Privacy Statement - Copyright Information. - Contact Us

Integrated Publishing, Inc. - A (SDVOSB) Service Disabled Veteran Owned Small Business