Order this information in Print

Order this information on CD-ROM

Download in PDF Format

     

Click here to make tpub.com your Home Page

Page Title: Extrapolating Upper-Level Heights
Back | Up | Next

tpub.com Updates

Google


Web
www.tpub.com

Home

   
Information Categories
.... Administration
Advancement
Aerographer
Automotive
Aviation
Combat
Construction
Diving
Draftsman
Engineering
Electronics
Food and Cooking
Math
Medical
Music
Nuclear Fundamentals
Photography
Religion
USMC
   
Products
  Educational CD-ROM's
Printed Manuals
Downloadable Books
   

 

Back ] Home ] Up ] Next ]

Click here to Order your Radar Equipment Online

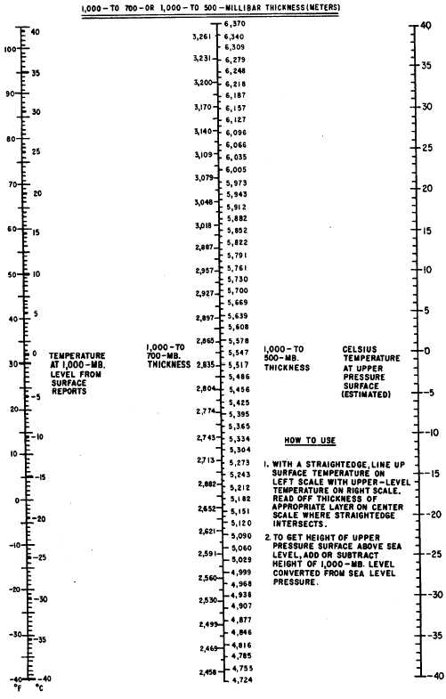
Extrapolating Upper-Level Heights

A common analysis practice is extrapolation of upper heights from sea-level reports. The scarcity of upper-air-reporting stations in many regions of the world and the absence of upper-level data from stations that do report require that this procedure be used. This is a common practice in computer-analyzed constant-pressure charts. Extrapolated heights are plotted enclosed in parentheses.

The thickness of a stratum or height of an upper level is computed using a known sea-level pressure and temperature and an assumed mean virtual temperature for the stratum. Tables and nomograms, derived from the hydrostatic equation, are also used for this purpose. Figure 8-1-1 contains a nomogram for com-puting the height of the 700- or 500-mb level using a known surface temperature and an estimated upper-level temperature. The upper-level temperature is usually estimated from past analysis and compensated for any changes which may have occurred since the last analysis; i.e., any cold or warm air advection. A step-by-step extrapolation procedure follows:

1. Estimate the upper-level temperature.

2. Determine the height of the 1000-mb level.

3. Determine the thickness of the stratum, following nomogram directions.

4. Algebraically add the 1000-mb height and the thickness of the stratum obtained in step 3. This is the height of the upper level above sea level.

The 1000-mb height must be determined, because tables and nomograms use 1000 mb as the standard surface-pressure value. To compute its height, we assume 7 1/2 mb equals 60 meters of height, or 8 meters per millibar. Take the difference between the actual sea-level pressure (SLP) and 1000 mb and multiply this figure by 8. For example, a ship reports a sea-level pressure of 1015.0 mb. The difference between the reported value and 1000 mb is 15. Multiply this difference by 8. 15 x 8 = 120. The height of the 1000-mb level is 120 meters above sea level. SLP(mb) 1000 mb x 8 m/mb = 1000-mb height Minus () values indicate 1000-mb heights below mean sea level, and plus ( + ) values indicate 1000-mb heights above mean sea level. Given the following parameters, compute the height of the 700-mb level, using the nomogram shown in figure 8-1-1: Estimated 700-mb temperature 5.0C; sea-level temperature, 25.5C. REMEMBERthe nomogram contains 700-mb heights and 500-mb heights. The 700-mb heights are to the left of the center line.

In step 4, algebraically add the thickness of the stratum just computed and the height of the 1000-mb level. For computational purposes, use the 120-meter height previously computed. The thickness of the 1000-700-mb stratum as com-puted from the above information should read approximately 2,957 meters. Because the reported sea-level pressure in this example is greater than the standard, you should have added the 120 meters to the height of the 1000-700-mb stratum. Your answer should read 3,077 meters. If the reported sea-level pressure is less than 1000 mb, subtract the 1000-mb height from the height of the stratum.

Since we are working with assumed or estimated temperatures and not those of an ac-tual upper-air sounding, inversions anywhere in the stratum or non-representative temperatures at the surface or upper level will result in incorrect height computations. In the case of marked inversions of any type, the estimated height will be less than the "true" height, because the com-puted mean virtual temperature will be less (colder) than the true mean virtual temperature. Compensate for such inversions by using a higher estimate of the upper-level temperature. Higher estimates may be required in the following situations:

1. In the vicinity of high-pressure cells where subsidence inversions are present

2. Where surface inversions are indicated by stable weather phenomena such as fog

3. When a frontal surface exists below the level to be extrapolated

A study comparing the true thickness of the 1000-700-mb and 1000-500-mb stratums to extrapolated thicknesses using temperature averaging showed the extrapolated thicknesses


Figure 8-1-1.Nomograms for computing height of the 700-mb and 500-mb levels.

to be within 30 meters for the 1000-700-mb stratum and within 60 meters for the 1000-500-mb stratum in 90 percent of the cases conducted.

Back ] Home ] Up ] Next ]

 

Privacy Statement - Press Release - Copyright Information. - Contact Us - Support Integrated Publishing

Integrated Publishing, Inc. - A (SDVOSB) Service Disabled Veteran Owned Small Business