Order this information in Print

Order this information on CD-ROM

Download in PDF Format

     

Click here to make tpub.com your Home Page

Page Title: Supervisory Alarm Initiating Devices
Back | Up | Next

tpub.com Updates

Google


Web
www.tpub.com

Home

   
Information Categories
.... Administration
Advancement
Aerographer
Automotive
Aviation
Combat
Construction
Diving
Draftsman
Engineering
Electronics
Food and Cooking
Math
Medical
Music
Nuclear Fundamentals
Photography
Religion
USMC
   
Products
  Educational CD-ROM's
Printed Manuals
Downloadable Books
   

 

Back ] Home ] Up ] Next ]

Supervisory Alarm Initiating Devices

Supervisory alarm initiating devices cause a signal at the supervisory control unit and/or remote receiver when an abnormal fire protection system condition occurs. In general, supervised valves are never closed unless a sprinkler system requires maintenance. Valves that control water flow to a water-flow detector or valves in a sprinkler header room or fire pump room that are normally closed may be supervised. Supervisory devices for normally open valves signal when the valve is closed no more than two turns or 20 percent of its total travel. Supervisory devices for normally closed valves signal when the valve is opened no more than two turns or 20 percent of its total travel.

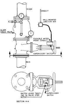
Outside screw and yoke (OS&Y) valve position indicators (figs. 8-24 and 8-25) are firmly attached to the valve yoke (fig. 8-26). The spring-loaded switchoperating lever or plunger rests in a smoothly tapered notch in the valve stem. When the valve is operated, the stem moves in or out; the lever or plunger moves up the incline at the edge of the notch. The switch is actuated before the lever or plunger is out of the notch. This causes a supervisory signal at the control unit and/or remote receiver.

A post indicator valve (PIV) will have a position indicator mounted to it (fig. 8-27). Usually

Figure 8-24.-OS&Y valve position switch (plunger type).

Figure 8-25.-OS&Y valve position switch (lever type).

a PIV is located outside the building and may be mounted on the ground or on the building wall. A spring-loaded lever rests against the side of the open/shut indicator, called a target. As the valve is operated, the target moves. The switch follows this movement. The position indicating switch is adjusted to cause a supervisory signal before the operating nut has rotated two turns or 20 percent of its full travel.

Nonrising stem valve position indicators are attached to nonrising stem valves, usually installed underground. The housing of the device is made of a noncorroding material such as brass. The switch itself is a magnetically operated, sealed reed switch. As the valve is operated, the magnet moves away from the reed switch. After the valve has

Figure 8-26.-OS&Y valve position supervisory switch installation.

Figure 8-27.-PIV position supervisory switch installation.

been opened two full turns the magnet is far enough away from the reed switch to actuate it, causing a supervisory signal at the control unit and/or remote receiver.

Water level in sprinkler system reservoirs must be maintained within certain limits. There are usually automatic controls for maintaining the desired water level. Water level supervisory devices cause a supervisory signal when the water level is not maintained between the desired high and low limits.

A float-actuated level indicator (fig. 8-28) is mounted outside on the wall of a tank with its float and lever extended into the tank. The lever arm pivots at the tank wall and rises or falls with the water level. A switch or switches (one for high level, one for low level) are actuated when the float moves outside

Figure 8-28.-Water level switch (float actuated).

 

of normal limits. Figure 8-29 shows a typical highlow water level supervisory device installed in a sprinkler system reservoir.

A pressure-actuated level indicator is physically very similar to the bellows-operated pressure switches used for water-flow detection (fig. 8-21). As the water level changes in a reservoir, the water pressure at the supervisory switch also changes. The switch can be adjusted to actuate when pressure indicates a low water level or a high water level. This device is generally installed in the piping near the bottom of the reservoir.

Electronic level indicators may also be found in some systems. These indicators read the conductivity of water to cause an electrical signal. These devices are most frequently used to sense high water levels. They are not commonly used in fire protection systems.

Temperature supervisory devices are used to prevent water freezing in fire protection systems.

Figure 8-29.-Installation of water level and water temperature supervisory devices.

 

Utilitiesmen will most commonly work with low water temperature indicators. These are usually sealed, factory-set thermostats and may be installed in system pipe or reservoirs. The most frequent low temperature setting is 40F. Figure 8-29 shows a low water temperature indicator installed in a system reservoir.

You may find other supervisory devices in use. They will usually be specifically designed for a particular system. The principles of operation are generally the same as those already discussed. Physical mounting provisions or other details may vary. Refer to NAVFAC MO-117, manufacturer's manuals, and NFPA #13 for more complete information, when you must install or maintain these devices.

Back ] Home ] Up ] Next ]

Privacy Statement - Press Release - Copyright Information. - Contact Us - Support Integrated Publishing

Integrated Publishing, Inc. - A (SDVOSB) Service Disabled Veteran Owned Small Business