Custom Search
 
  

 
INSPECTION BEFORE FIRING

Since the AT4 is issued as a round of ammunition, rather than as a weapon, the launcher is completely sealed. Inspection is limited to visual examination of the external components. The launcher is waterproof. When the fire-through muzzle cover is intact, the launcher remains waterproof until fired. The overall condition of the launcher should be inspected before being used (fig. 14-34). The firer should ensure that

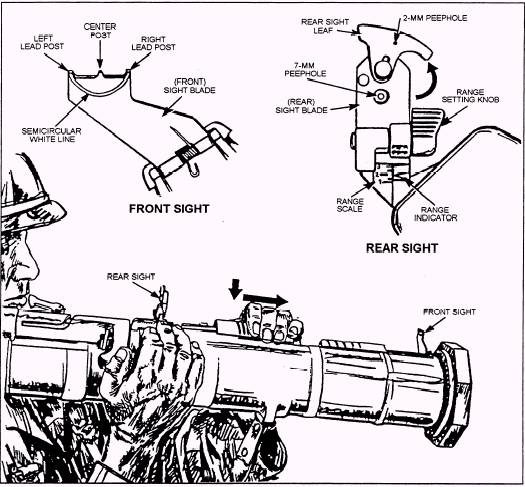
Figure 14-35.-Sight system.

l the transport safety pin is in place and fully inserted. The lanyard is attached.

. the cocking lever is in the SAFE position and folded down.

. the fire-through muzzle cover is intact. If the seal is ruptured or torn, cut the seal out to ensure there are no foreign objects inside the launcher tube. To remove foreign objects, turn the tube muzzle down and shake it gently. Before firing, ensure there are no foreign objects in the muzzle.

l the launcher being used has a black color-code band with a yellow band inside.

l the sights function properly. Open the covers to see if the sights pop up and are not damaged.

. the forward safety does not move when depressed.

. the rear seal is not cracked or damaged. The rear seal is inside the venturi and is made of brown plexiglass. Before firing, ensure there are no foreign objects obstructing the rear of the launcher.

. the shoulder stop is not broken or damaged, and it unsnaps and folds down.

l the carrying sling is not frayed and is attached firmly to the launch tube.

l the launcher body has no cracks, dents, or bulges.

l the red trigger button is not missing, broken, or damaged.

Figure 14-36.-Correct placement of the front sight lead posts.

SIGHTS

l Front Sight. The front sight consists of a sight blade with a center post and left and right lead posts (fig. 14-35). It has a semicircular white line to aid in obtaining the proper sight picture. To open the front sight cover, press down on the sight cover and slide it rearward.

l Rear Sight. The rear sight consists of a sight blade, range setting knob, range scale, 2-mm peephole (for normal light conditions), and 7-mm peephole (for limited visibility) (fig. 14-35). To open the rear sight cover, press down on the cover and slide it forward.

AIMING

In general, to aim the launcher, you must first estimate the range to the target. Once the range is determined, the launcher is placed in position on the right shoulder so the right eye is 2 1/2 to 3 inches from the rear sight. The firer is concerned with correctly pointing the AT4 so the cartridge hits the target when he fires. To do this, he must have the rear sight, the front sight posts, and the target (or aiming point) in proper relationship-known as the sight picture. A correct sight picture is obtained when the sights are properly aligned and the aiming point (target) is in correct relationship to the front sight posts.



Managed Security Service Provider
 


Privacy Statement - Copyright Information. - Contact Us

Integrated Publishing, Inc. - A (SDVOSB) Service Disabled Veteran Owned Small Business