Custom Search
 
  

 
BATTERY PACK.- The radio set operates from a nominal 28-volt dc battery pack with an acceptable voltage input between 20 and 32 vdc. The battery pack consists of 16 silver-zinc storage battery cells inside the battery case and is usually latched to the other two units; however, it may be connected to the amplifier/coupler through the 3-foot Electrical Power Cable Assembly CX-13031/PRC-104 (battery extender cable). This connection permits extended battery life by allowing the battery pack to be carried by the operator under the protection of cold weather clothing. Normal life of the battery pack is approximately 16 hours of operation, assuming 10 percent transmit time. The silver-zinc battery is charged using Battery Charger PP-6241/U via the battery charger cable, Electrical Power Cable Assembly CX-13032/PRC-104. For operation without the battery pack, a dc power source can be connected to the amplifier/coupler through the bench test cable, Electrical Power Cable Assembly CX-13030/PRC-104.

FIXED-SITE OPERATION.- When the tactical situation permits, the effective range of the

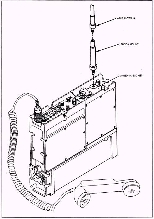
Figure 11-8.-Radio set man-pack setup.

Figure 11-9.-Radio Set Control Group AN/GRA-39, components and their functions.

AN/PRC-104 may be extended by using an AS-2259/GR antenna, the 15-foot near-vertical incidence sky-wave (NVIS) antenna. The Radio Frequency Cable Assembly CG-3815/V (antenna base cable) is used to connect the NVIS Antenna Base AB-124/PRC-104 to the BNC jack of the amplifier/ coupler.



Managed Security Service Provider
 


Privacy Statement - Copyright Information. - Contact Us

Integrated Publishing, Inc. - A (SDVOSB) Service Disabled Veteran Owned Small Business