Share on Google+Share on FacebookShare on LinkedInShare on TwitterShare on DiggShare on Stumble Upon
Custom Search
 
  

SINGLE MODE STEP-INDEX FIBERS

There are two basic types of single mode step-index fibers: matched clad and depressed clad. Matched cladding means that the fiber cladding consists of a single homogeneous layer of dielectric material. Depressed cladding means that the fiber cladding consists of two regions: the inner and outer cladding regions.

Matched-clad and depressed-clad single mode step-index fibers have unique refractive index profiles.

A matched-clad single mode step-index fiber has a core of radius

(a) and a constant refractive index n1. A cladding of slightly lower refractive index surrounds the core. The cladding has a refractive index n2. Figure 3-6 shows the refractive index profile n(r) for the matched-clad single mode fiber.

Figure 3-6. - Matched-clad refractive index profile.

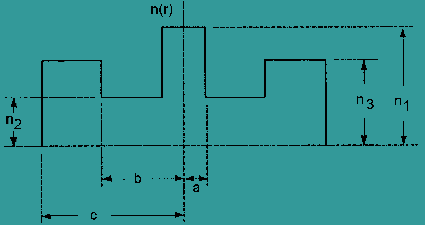
Figure 3-7 shows the refractive index profile n(r) for the depressed-clad single mode fiber. A depressed-clad single mode step-index fiber has a core of radius (a) with a constant refractive index n1. A cladding, made of two regions, surrounds the core.

An inner cladding region surrounds the core of the fiber and has a refractive index of n2. The inner cladding refractive index n2 is lower than the core's refractive index n1.

An outer cladding region surrounds the inner cladding region and has a higher refractive index n3 than the inner cladding region. However, the outer cladding refractive index n3 is lower than the core's refractive index n1.

Figure 3-7. - Depressed-clad refractive index profile.

Single mode step-index fibers propagate only one mode, called the fundamental mode. Single mode operation occurs when the value of the fiber's normalized frequency is between 0 and 2.405 (0 ≤ V < 2.405). The value of V should remain near the 2.405 level. When the value of V is less than 1, single mode fibers carry a majority of the light power in the cladding material. The portion of light transmitted by the cladding material easily radiates out of the fiber. For example, light radiates out of the cladding material at fiber bends and splices.

Single mode fiber cutoff wavelength is the smallest operating wavelength when single mode fibers propagate only the fundamental mode. At this wavelength, the 2nd-order mode becomes lossy and radiates out of the fiber core. As the operating wavelength becomes longer than the cutoff wavelength, the fundamental mode becomes increasingly lossy.

The higher the operating wavelength is above the cutoff wavelength, the more power is transmitted through the fiber cladding. As the fundamental mode extends into the cladding material, it becomes increasingly sensitive to bending loss.

Single mode fiber designs include claddings of sufficient thickness with low absorption and scattering properties to reduce attenuation of the fundamental mode. To increase performance and reduce losses caused by fiber bending and splicing, fiber manu facturers adjust the value of V. To adjust the value of V, they vary the core and cladding sizes and relative refractive index difference (Δ).

A single mode step-index fiber has low attenuation and high bandwidth properties. Present applications for single mode fibers include long-haul, high-speed telecommunication systems. Future applications include single mode fibers for sensor systems. However, the current state of single mode technology makes installation of single mode systems expensive and difficult. Short cable runs, low to moderate bandwidth requirements, and high component cost make installation of single mode fiber shipboard systems impractical at this time.

Q.16 What are the two basic types of single mode step-index fibers?
Q.17 Which fiber cladding, matched or depressed, consists of two regions?
Q.18 In single mode operation, the value of the normalized frequency (V) should remain near the 2.405 level. If the value of V is less than 1, do single mode fibers carry a majority of the power in the core or cladding material?
Q.19 What happens to the fundamental mode as the operating wavelength becomes longer than the single mode cutoff wavelength?
Q.20 Give two reasons why is the value of the normalized frequency (V) is varied in single mode step-index fibers?



Managed Security Service Provider


Privacy Statement - Copyright Information. - Contact Us

Integrated Publishing, Inc. - A (SDVOSB) Service Disabled Veteran Owned Small Business