frequency, many other frequencies other than the resonant frequency are present in the oscillator. These other frequencies are referred to as HARMONICS. A harmonic is defined as a sinusoidal wave having a frequency that is a multiple of the fundamental frequency.">

Share on Google+Share on FacebookShare on LinkedInShare on TwitterShare on DiggShare on Stumble Upon
Custom Search
 
  

HARMONICS

From your study of oscillators, you should know that the oscillator will oscillate at the resonant frequency of the tank circuit. Although the tank circuit is resonant at a particular frequency, many other frequencies other than the resonant frequency are present in the oscillator. These other frequencies are referred to as HARMONICS. A harmonic is defined as a sinusoidal wave having a frequency that is a multiple of the fundamental frequency. In other words, a sine wave that is twice that fundamental frequency is referred to as the SECOND HARMONIC.

What you must remember is that the current in circuits operating at the resonant frequency is relatively large in amplitude. The harmonic frequency amplitudes are relatively small. For example, the second harmonic of a fundamental frequency has only 20 percent of the amplitude of the resonant frequency. A third harmonic has perhaps 10 percent of the amplitude of the fundamental frequency.

One useful purpose of harmonics is that of frequency multiplication. It can be used in circuits to multiply the fundamental frequency to a higher frequency. The need for frequency-multiplier circuits results from the fact that the frequency stability of most oscillators decreases as frequency increases. Relatively good stability can be achieved at the lower frequencies. Thus, to achieve optimum stability, an oscillator is operated at a low frequency, and one or more stages of multiplication are used to raise the signal to the desired operating frequency.

FREQUENCY MULTIPLICATION

FREQUENCY MULTIPLIERS are special class C amplifiers that are biased at 3 to 10 times the normal cutoff bias. They are used to generate a frequency that is a multiple (harmonic) of a lower frequency. Such circuits are called frequency multipliers or harmonic generators.

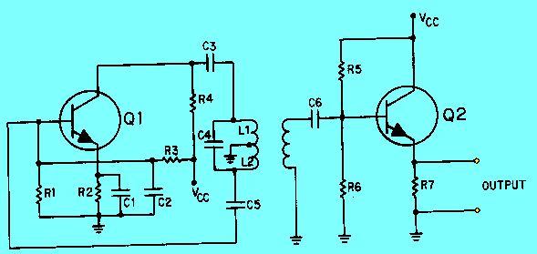
Figure 2 - 26 illustrates a frequency multiplier known as a FREQUENCY DOUBLER or SECOND HARMONIC GENERATOR. As illustrated, the input is 1 megahertz and the output is 2 megahertz, or twice the input frequency. In other words, the second harmonic of 1 megahertz is 2 megahertz. The third harmonic (frequency tripler) would be 3 megahertz, or 3 times the input signal. The fourth harmonic (quadruplet) would be 4 megahertz, or 4 times the 1-megahertz input signal. The fourth harmonic generator (frequency quadruplet) is normally as high in multiplication as is practical, because at harmonics higher than the fourth, the output diminishes to a very weak output signal.

Figure 2-26. - Frequency doubler.

Frequency multipliers are operated by the pulses of collector current produced by a class C amplifier. Although the collector current flows in pulses, the alternating collector voltage is sinusoidal because of the action of the tank circuit. When the output tank circuit is tuned to the required harmonic, the tank circuit acts as a filter, accepting the desired frequency and rejecting all others.

Figure 2-27 illustrates the waveforms in a typical doubler circuit. You can see that the pulses of collector current are the same frequency as the input signal. These pulses of collector current energize the tank circuit and cause it to oscillate at twice the base signal frequency. Between the pulses of collector current, the tank circuit continues to oscillate. Therefore, the tank circuit receives a current pulse for every other cycle of its output.

Figure 2-27. - Frequency doubler waveforms.

Buffer Amplifier Coupling the resonant frequency from the oscillator by different coupling methods also affects the oscillator frequency and amplitude. A BUFFER AMPLIFIER decreases the loading effect on the oscillator by reducing the interaction (matching impedance) between the load and the oscillator.

Figure 2-28 is the schematic diagram of a buffer amplifier. This circuit is a common-collector amplifier. A common-collector amplifier has a high input impedance and a low output impedance. Since the output of an oscillator is connected to the high impedance of the common-collector amplifier, the buffer has little effect on the operation of the oscillator. The output of the common-collector buffer is then connected to an external load; therefore, the changes in the output load cannot reflect back to the oscillator circuit. Thus, the buffer amplifier reduces interaction between the load and the oscillator. Figure 2-29 illustrates a shunt-fed Hartley oscillator with a buffer amplifier. This is "one-way" coupling since the oscillator signal is coupled forward, but load changes are not coupled back to the oscillator.

Figure 2-28. - Buffer amplifier.

Figure 2-29. - Shunt-fed Hartley oscillator with buffer amplifier.

Q.22 What is the frequency that is twice the fundamental frequency? answer.gif (214 bytes)
Q.23 What is the purpose of the buffer amplifier?answer.gif (214 bytes)



Managed Security Service Provider


Privacy Statement - Copyright Information. - Contact Us

Integrated Publishing, Inc. - A (SDVOSB) Service Disabled Veteran Owned Small Business