capacitance in series with each other and with the source voltage. In this respect, it has the same characteristics of the series circuits you have studied previously. Remember that current is the same in all parts of a series circuit because there is only one path for current. ">

Share on Google+Share on FacebookShare on LinkedInShare on TwitterShare on DiggShare on Stumble Upon
Custom Search
 
  

THE IDEAL SERIES-RESONANT CIRCUIT

The ideal series-resonant circuit contains no resistance; it consists of only inductance and capacitance in series with each other and with the source voltage. In this respect, it has the same characteristics of the series circuits you have studied previously. Remember that current is the same in all parts of a series circuit because there is only one path for current.

Each LC circuit responds differently to different input frequencies. In the following paragraphs, we will analyze what happens internally in a series-LC circuit when frequencies at resonance, below resonance, and above resonance are applied. The L and C values in the circuit are those used in the problem just studied under resonant-frequency. The frequencies applied are the three inputs from figure 1-6. Note that the resonant frequency of each of these components is 205 kHz, as figured in the problem.

Figure 1-6. - Output of the resonant circuit.

How the Ideal Series-LC Circuit Responds to the Resonant Frequency (205 kHz)

Note: You are given the values of XL, XC, and fr but you can apply the formulas to figure them. The values given are rounded off to make it easier to analyze the circuit.

First, note that XL and XC are equal. This shows that the circuit is resonant to the applied frequency of 205 kHz. XL and XC are opposite in effect; therefore, they subtract to zero. (2580 ohms - 2580 ohms = zero.) At resonance, then, X = zero. In our theoretically perfect circuit with zero resistance and zero reactance, the total opposition to current (Z) must also be zero.

Now, apply Ohm's law for a.c. circuits:

Don't be confused by this high value of current. Our perfect, but impossible, circuit has no opposition to current. Therefore, current flow will be extremely high. The important points here are that AT RESONANCE, impedance is VERY LOW, and the resulting current will be comparatively HIGH.

If we apply Ohm's law to the individual reactances, we can figure relative values of voltage across each reactance.

These are reactive voltages that you have studied previously. The voltage across each reactance will be comparatively high. A comparatively high current times 2580 ohms yields a high voltage. At any given instant, this voltage will be of opposite polarity because the reactances are opposite in effect. EL + EC = zero volts

THE INDIVIDUAL VOLTAGES MAY REACH QUITE HIGH VALUES. ALTHOUGH LITTLE POWER IS PRESENT, THE VOLTAGE IS REAL AND CARE SHOULD BE TAKEN IN WORKING WITH IT.

Let's summarize our findings so far. In a series-LC circuit with a resonant-frequency voltage applied, the following conditions exist:

  • XL and XC are equal and subtract to zero.
  • Resultant reactance is zero ohms.
  • Impedance (Z) is reduced to a MINIMUM value.
  • With minimum Z, current is MAXIMUM for a given voltage.
  • Maximum current causes maximum voltage drops across the individual reactances.

All of the above follow in sequence from the fact that XL = XC at the resonant frequency.

How the Ideal Series-LC Circuit Respond to a Frequency Below Resonance (100 kHz)

Given:

First, note that XL and XC are no longer equal. XC is larger than it was at resonance; XL is smaller. By applying the formulas you have learned, you know that a lower frequency produces a higher capacitive reactance and a lower inductive reactance. The reactances subtract but do not cancel (XL - XC = 1260 - 5300 = 4040 ohms (capacitive)). At an input frequency of 100 kHz, the circuit (still resonant to 205 kHz) has a net reactance of 4040 ohms. In our theoretically perfect circuit, the total opposition (Z) is equal to X, or 4040 ohms.

As before, let's apply Ohm's law to the new conditions.

The voltage drops across the reactances are as follows:

In summary, in a series-LC circuit with a source voltage that is below the resonant frequency (100 kHz in the example), the resultant reactance (X), and therefore impedance, is higher than at resonance. In addition current is lower, and the voltage drops across the reactances are lower. All of the above follow in sequence due to the fact that XC is greater than XL at any frequency lower than the resonant frequency.

How the Ideal Series-LC Circuit Responds to a Frequency Above Resonance (300 kHz)

Given:

Again, XL and XC are not equal. This time, XL is larger than XC. (If you don't know why, apply the formulas and review the past several pages.) The resultant reactance is 2000 ohms (XL - X C = 3770 - 1770 = 2000 ohms.) Therefore, the resultant reactance (X), or the impedance of our perfect circuit at 300 kHz, is 2000 ohms.

By applying Ohm's law as before:

In summary, in a series-LC circuit with a source voltage that is above the resonant frequency (300 kHz in this example), impedance is higher than at resonance, current is lower, and the voltage drops across the reactances are lower. All of the above follow in sequence from the fact that XL is greater than XC at any frequency higher than the resonant frequency.

Summary of the Response of the Ideal Series-LC Circuit to Frequencies Above, Below, and at Resonance

The ideal series-resonant circuit has zero impedance. The impedance increases for frequencies higher and lower than the resonant frequency. The impedance characteristic of the ideal series-resonant circuit results because resultant reactance is zero ohms at resonance and ONLY at resonance. All other frequencies provide a resultant reactance greater than zero.

Zero impedance at resonance allows maximum current. All other frequencies have a reduced current because of the increased impedance. The voltage across the reactance is greatest at resonance because voltage drop is directly proportional to current. All discrimination between frequencies results from the fact that XL and XC completely counteract ONLY at the resonant frequency.

How the Typical Series-LC Circuit Differs From the Ideal As you learned much earlier in this series, resistance is always present in practical electrical circuits; it is impossible to eliminate. A typical series-LC circuit, then, has R as well as L and C.

If our perfect (ideal) circuit has zero resistance, and a typical circuit has "some" resistance, then a circuit with a very small resistance is closer to being perfect than one that has a large resistance. Let's list what happens in a series-resonant circuit because resistance is present. This is not new to you - just a review of what you have learned previously.

In a series-resonant circuit that is basically L and C, but that contains "some" R, the following statements are true:

XL, XC, and R components are all present and can be shown on a vector diagram, each at right angles with the resistance vector (baseline). At resonance, the resultant reactance is zero ohms. Thus, at resonance, The circuit impedance equals only the resistance (R). The circuit impedance can never be less than R because the original resistance will always be present in the circuit. At resonance, a practical series-RLC circuit ALWAYS has MINIMUM impedance. The actual value of impedance is that of the resistance present in the circuit (Z = R).

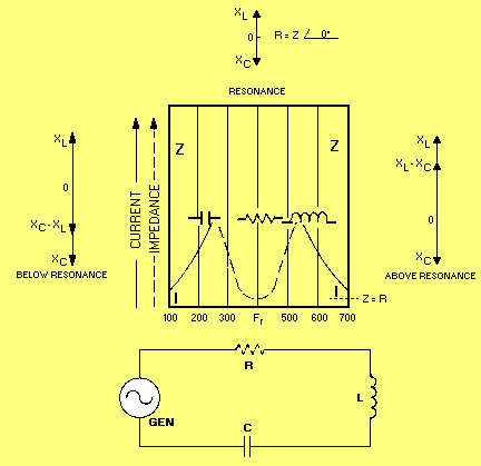
Now, if the designers do their very best (and they do) to keep the value of resistance in a practical series-RLC circuit LOW, then we can still get a fairly high current at resonance. The current is NOT "infinitely" high as in our ideal circuit, but is still higher than at any other frequency. The curve and vector relationships for the practical circuit are shown in figure 1-7.

Figure 1-7. - Curves of impedance and current in an RLC series resonant circuit.

Note that the impedance curve does not reach zero at its minimum point. The vectors above and below resonance show that the phase shift of the circuit at these frequencies is less than 90 degrees because of the resistance.

The horizontal width of the curve is a measure of how well the circuit will pick out (discriminate) the one desired frequency. The width is called BANDWIDTH, and the ability to discriminate between frequencies is known as SELECTIVITY. Both of these characteristics are affected by resistance. Lower resistance allows narrower bandwidth, which is the same as saying the circuit has better selectivity. Resistance, then, is an unwanted quantity that cannot be eliminated but can be kept to a minimum by the circuit designers.

More on bandwidth, selectivity, and measuring the effects of resistance in resonant circuits will follow the discussion of parallel resonance.

Q.3 State the formula for resonant frequency. answer.gif (214 bytes)
Q.4 If the inductor and capacitor values are increased, what happens to the resonant frequency? answer.gif (214 bytes)
Q.5 In an "ideal" resonant circuit, what is the relationship between impedance and current? answer.gif (214 bytes)
Q.6 In a series-RLC circuit, what is the condition of the circuit if there is high impedance, low current, and low reactance voltages? answer.gif (214 bytes)



Managed Security Service Provider


Privacy Statement - Copyright Information. - Contact Us

Integrated Publishing, Inc. - A (SDVOSB) Service Disabled Veteran Owned Small Business