amplifier can be extended to 6 megahertz (6 MHz), you should realize that it is only necessary to extend the low-Frequency response to 10 hertz (10 Hz) in order to have a video amplifier. Once again, the culprit in low-Frequency response is capacitance (or capacitive reactance). But this time the problem is the coupling capacitor between the stages. ">

Share on Google+Share on FacebookShare on LinkedInShare on TwitterShare on DiggShare on Stumble Upon
Custom Search
 
  

LOW-FREQUENCY COMPENSATION FOR VIDEO AMPLIFIERS

Now that you have seen how the high-Frequency response of an amplifier can be extended to 6 megahertz (6 MHz), you should realize that it is only necessary to extend the low-Frequency response to 10 hertz (10 Hz) in order to have a video amplifier.

Once again, the culprit in low-Frequency response is capacitance (or capacitive reactance). But this time the problem is the coupling capacitor between the stages.

At low frequencies the capacitive reactance of the coupling capacitor (C2 in figure 2-8) is high. This high reactance limits the amount of output signal that is coupled to the next stage. In addition, the RC network of the coupling capacitor and the signal-developing resistor of the next stage cause a phase shift in the output signal. (Refer to NEETS, module 2, for a discussion of phase shifts in RC networks.) Both of these problems (poor low-Frequency response and phase shift) can be solved by adding a parallel RC network in series with the load resistor. This is shown in figure 2-9.

Figure 2-9. - Low frequency compensation network.

The complete circuitry for Q2 is not shown in this figure, as the main concern is the signal-developing resistor (R5) for Q2. The coupling capacitor (C2) and the resistor (R5) limit the low-Frequency response of the amplifier and cause a phase shift. The amount of the phase shift will depend upon the amount of resistance and capacitance. The RC network of R4 and C3 compensates for the effects of C2 and R5 and extends the low-frequency response of the amplifier.

At low frequencies, R4 adds to the load resistance (R3) and increases the gain of the amplifier. As frequency increases, the reactance of C3 decreases. C3 then provides a path around R4 and the gain of the transistor decreases. At the same time, the reactance of the coupling capacitor (C2) decreases and more signal is coupled to Q2.

Because the circuit shown in figure 2-9 has no high-frequency compensation, it would not be a very practical video amplifier.

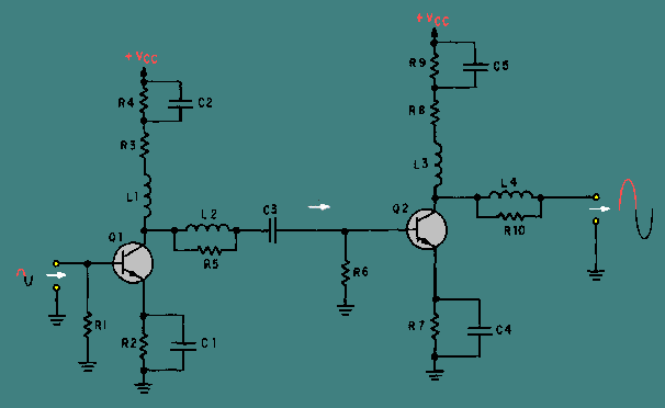
TYPICAL VIDEO-AMPLIFIER CIRCUIT

There are many different ways in which video amplifiers can be built. The particular configuration of a video amplifier depends upon the equipment in which the video amplifier is used. The circuit shown in figure 2-10 is only one of many possible video-amplifier circuits. Rather than reading about what each component does in this circuit, you can see how well you have learned about video amplifiers by answering the following questions. You should have no problem identifying the purpose of the components because similar circuits have been explained to you earlier in the text.

Figure 2-10. - Video amplifier circuit.

The following questions refer to figure 2-10.

Q.12 What component in an amplifier circuit tends to limit the low-Frequency response of the amplifier? answer.gif (214 bytes)
Q.13 What is the purpose of L3? answer.gif (214 bytes)
Q.14 What is the purpose of C1? answer.gif (214 bytes)
Q.15 What is the purpose of R4? answer.gif (214 bytes)
Q.16 What is the purpose of L2? answer.gif (214 bytes)
Q.17 What is the purpose of R5? answer.gif (214 bytes)
Q.18 What component(s) is/are used for high-frequency compensation for Q1? answer.gif (214 bytes)
Q.19 What component(s) is/are used for low-frequency compensation for Q2? answer.gif (214 bytes)



Managed Security Service Provider


Privacy Statement - Copyright Information. - Contact Us

Integrated Publishing, Inc. - A (SDVOSB) Service Disabled Veteran Owned Small Business