Share on Google+Share on FacebookShare on LinkedInShare on TwitterShare on DiggShare on Stumble Upon
Custom Search
 
  

MAKING A VOLTMETER FROM A CURRENT SENSITIVE METER MOVEMENT

The meter movements discussed earlier in this chapter have all reacted to current. Various ways have been shown in which these movements can be used in ammeters. If the current and resistance are known, the voltage can be calculated by the formula E = IR. A meter movement has a known resistance, so as the movement reacts to the current, the voltage can be indicated on the scale of the meter.

In figure 1-27(A), a voltmeter (represented by R2) connected across a 10-ohm resistor with 10 volts applied. The current through the voltmeter (R2) is .1 milliamperes. In figure 1-27(B), the voltage is increased to 100 volts. Now, the current through the voltmeter (R2) is 1 milliampere.

The voltage has increased by a factor of 10 and so has the current. This illustrates that the current through the meter is proportional to the voltage being measured.

Figure 1-27. - Current and voltage in parallel circuit.

32NE0236.GIF (2994 bytes)

SENSITIVITY OF VOLTMETERS

Voltmeter sensitivity is expressed in ohms per volt (W/V).

It is the resistance of the voltmeter at the full-scale reading in volts.

Since the voltmeter's resistance does not change with the position of the pointer, the total resistance of the meter is the sensitivity multiplied by the full-scale voltage reading. The higher the sensitivity of a voltmeter, the higher the voltmeter's resistance. Since high resistance voltmeters have less loading effect on circuits, a high-sensitivity meter will provide a more accurate voltage measurement.

To determine the sensitivity of a meter movement, you need only to divide 1 by the amount of current needed to cause full-scale deflection of the meter movement. The manufacturer usually marks meter movements with the amount of current needed for full-scale deflection and the resistance of the meter. With these figures, you can calculate the sensitivity

0266.GIF (345 bytes)

and the full-scale voltage reading full-scale current (full-scale current X resistance).

For example, if a meter has a full-scale current of 50μA and a resistance of 960Ω, the sensitivity could be calculated as:

0050.GIF (959 bytes)

  • The full-scale voltage reading would be calculated as:
  • Full-scale voltage reading = full-scale current X resistance
  • Full-scale voltage reading = 50μA X 960Ω
  • Full-scale voltage reading = 48mV

RANGES

Table 1-1 shows the figures for most meter movements in use today.

Table 1-1. - Meter Movement Characteristics

CURRENT TO DEFLECT FULL SCALE    

RESISTANCE SENSITIVITY VOLTAGE FULL SCALE
1mA 100W 1kW/VOLT .1V
50μA 960W 20kW/VOLT .048 V
5μA 5750W 200kW/VOLT .029 V

Notice that the meter movements shown in table 1-1

will indicate .029 volts to .I volt at full scale, and the sensitivity ranges from 1000 ohms per volt to 200,000 ohms per volt. The higher sensitivity meters indicate smaller amounts of voltage. Since most voltage measurements involve voltage larger than .1 volt, a method must be used to extend the voltage reading.

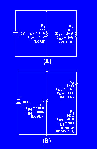
Figure 1-28 illustrates the method of increasing the voltage range of a voltmeter.

Figure 1-28. - A voltmeter and a range resistor.

32NE0237.GIF (4610 bytes)

In figure 1-28(A), a voltmeter with a range of 10 volts and a resistance of 1 kilohm (R2) is connected in parallel to resistor R1. The meter has .01 ampere of current (full-scale deflection) and indicates 10 volts. In figure 1-28(B), the voltage has been increased to 100 volts. This is more than the meter can measure. A 9 kilohm resistor (R3) is connected in series with the meter (R2). The meter (R2) now has .01 ampere of current (full-scale deflection). But since R3 has increased the voltage capability of the meter, the meter indicates 100 volts. R3 has changed the range of the meter.

Voltmeters can be constructed with several ranges by the use of a switch and internal resistors. Figure 1-29 shows a voltmeter with a meter movement of 100 ohms and 1 milliampere full-scale deflection with 5 ranges of voltage through the use of a switch. In this way a voltmeter can be used to measure several different ranges of voltage.

Figure 1-29. - A voltmeter with internal range resistors.

32NE0238.GIF (3448 bytes)

The current through the meter movement is determined by the voltage being measured. If the voltage measured is higher than the range of the voltmeter, excess current will flow through the meter movement and the meter will be damaged. Therefore, you should always start with the highest range of a voltmeter and switch the ranges until a reading is obtained near the center of the scale.

Figure 1-30 illustrates these points.

Figure 1-30. - Reading a voltmeter at various ranges.

32NE0239.GIF (5167 bytes)

In figure 1-30(A) the meter is in the 1000-volt range. The pointer is barely above the 0 position. It is not possible to accurately read this voltage. In figure 1-30(B) the meter is switched to the 250 volt range. From the pointer position it is possible to approximate the voltage as 20 volts. Since this is well below the next range, the meter is switched, as in figure 1-30(C). With the meter in the 50-volt range, it is possible to read the voltage as 22 volts. Since this is more than the next range of the meter (10 volts), the meter would not be switched to the next (lower) scale.

Q.34 How is it possible to use a current sensitive meter movement to measure voltage? answer.gif (214 bytes)
Q.35 What is voltmeter sensitivity? answer.gif (214 bytes)
Q.36 What method is used to allow a voltmeter to have several ranges? answer.gif (214 bytes)
Q.37 Why should you always use the highest range when connecting a voltmeter to a circuit? answer.gif (214 bytes)



Managed Security Service Provider


Privacy Statement - Copyright Information. - Contact Us

Integrated Publishing, Inc. - A (SDVOSB) Service Disabled Veteran Owned Small Business