Share on Google+Share on FacebookShare on LinkedInShare on TwitterShare on DiggShare on Stumble Upon
Custom Search
 
  

BASIC METER MOVEMENTS

The meter movement is, as the name implies, the part of a meter that moves. A meter movement converts electrical energy into mechanical energy.

There are many different types of meter movements. The first one you will learn about is based upon a principle with which you are already familiar.

That principle is the interaction of magnetic fields.

COMPASS AND CONDUCTING WIRE

You know that an electrical conductor in which current flows has a magnetic field generated around it. If a compass is placed close to the conductor, the compass will react to that magnetic field (fig. 1-2).

Figure 1-2. - Compass and conductor with direct current.

32NE0211.GIF (4536 bytes)

If the battery is disconnected, the north end of the compass needle will point to magnetic north, as illustrated in figure 1-2(A) by the broken-line compass needle pointing to the right. When the battery is connected, current flows through the circuit and the compass needle aligns itself with the magnetic field of the conductor, as indicated by the solid compass needle. The strength of the magnetic field created around the conductor is dependent upon the amount of current.

In figure 1-2(A), the resistance in the circuit is 6 ohms. With the 6-volt battery shown, current in the circuit is 1 ampere. In figure 1-2(B), the resistance has been changed to 12 ohms. With the 6-volt battery shown, current in the circuit is 1/2 or .5 ampere. The magnetic field around the conductor in figure 1-2(B) is weaker than the magnetic field around the conductor in figure 1-2(A). The compass needle in figure 1-2(B) does not move as far from magnetic north.

If the direction of the current is reversed, the compass needle will move in the opposite direction because the polarity of the magnetic field has reversed.

In figure 1-2(C), the battery connections are reversed and the compass needle now moves in the opposite direction.

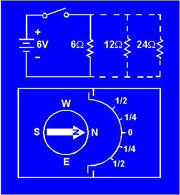
You can construct a crude meter to measure current by using a compass and a piece of paper. By using resistors of known values, and marking the paper to indicate a numerical value, as in figure 1-3, you have a device that measures current.

Figure 1-3. - A simple meter from a compass.

32NE0212.GIF (4213 bytes)

This is, in fact, the way the first GALVANOMETERS were developed.

A galvanometer is an instrument that measures small amounts of current and is based on the electromagnetic principle. A galvanometer can also use the principles of electrodynamics, which will be covered later in this topic.

The meter in figure 1-3 is not very practical for electrical measurement. The amount the compass needle swings depends upon the closeness of the compass to the conductor carrying the current, the direction of the conductor in relation to magnetic north, and the influence of other magnetic fields. In addition, very small amounts of current will not overcome the magnetic field of the Earth and the needle will not move.

Q.4 How does a compass react when placed close to a current carrying conductor? answer.gif (214 bytes)
Q.5 If the amount of current in the conductor changes, what happens to the magnetic field around the conductor?
answer.gif (214 bytes)
Q.6 How does the compass needle react to a decreased magnetic field?
answer.gif (214 bytes)



Managed Security Service Provider


Privacy Statement - Copyright Information. - Contact Us

Integrated Publishing, Inc. - A (SDVOSB) Service Disabled Veteran Owned Small Business