magnetic field across an air gap. Eddy currents induced in a thin metal cylinder rotating in this air gap interact with the magnetic field to produce a torque proportional to the instantaneous power. This type of construction provides the advantages of increased operating torque, larger angles of rotation, ruggedness, compactness, and freedom from errors caused by stray fields.">

Share on Google+Share on FacebookShare on LinkedInShare on TwitterShare on DiggShare on Stumble Upon
Custom Search
 
  

IRON-CORE, COMPOSITE-COIL, AND TORSION-HEAD WATTMETERS

Iron-core wattmeters are primarily used as switchboard instruments and employ the induction principle. Voltage and current coils are wound around a laminated iron core shaped to produce a mutually perpendicular magnetic field across an air gap. Eddy currents induced in a thin metal cylinder rotating in this air gap interact with the magnetic field to produce a torque proportional to the instantaneous power. This type of construction provides the advantages of increased operating torque, larger angles of rotation, ruggedness, compactness, and freedom from errors caused by stray fields. It has the disadvantage of a very narrow frequency range.

The composite-coil wattmeter uses the upscale torque, produced by the ac power being measured, in opposition to the torque produced by an adjustable dc current in a set of windings intermingled or wound within the ac windings. Greater reading precision is obtained with this method than is possible with straightforward wattmeters, and errors caused by elasticity of the spring suspension carrying the moving-coil system are avoided. The torsion-head wattmeter is used to restore the movable coil to its original position after deflection and to remove the mutual inductance error.

ELECTRONIC WATTMETER

Electronic wattmeters are used for direct, small power measurements or for power measurements at frequencies beyond the range of electrodynamometer-type instruments. A simplified electronic wattmeter circuit is shown in figure 3-13. The matched triodes are operated in the nonlinear portion of their characteristic grid-voltage, plate-current curves. The symmetrical resistive T network between the generator and load will provide V1 and V2 voltages proportional to, and in phase with, the load current and voltage, respectively. A source of ac power is connected to the load through the series resistors R1 and R2. These two resistors are of equal value and are made small to prevent the voltage drop across them from reducing the load voltage appreciably. R3 is made large enough to have negligible power consumption. Therefore, the R3 voltage is equal to the load voltage, and the voltage across either series resistor is proportional to the difference in the output currents of the tubes. The average value of the difference could be measured by a dc meter connected to read the voltage potential between the grids of V1 and V2. This method is adequate only at low frequencies. As the frequency increases, the stray capacitances and inductances also increase. The frequency range of the electronic wattmeter can be extended up to 20 megahertz by using pentodes instead of triode tubes. The operating conditions in a pentode are adjusted so that plate current is proportional to the product of a linear function of plate voltage and an exponential function of grid voltage.

Figure 3-13. - Simple electronic wattmeter circuit.

Q.12 For power measurements, what advantage does an electronic wattmeter have over an electrodynamic wattmeter? answer.gif (214 bytes)

ABSORPTION POWER METERS

Absorption power meters absorb either all or part of the source power. They require means of dissipating the absorbed power, sensing the power thus dissipated, and indicating the amount of power absorbed by the sensing network. Output power meters, in-line wattmeters, and meters employing bolometers are examples of absorption power meters used by the Navy.

Output Power Meters

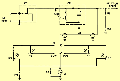
Figure 3-14 shows a common output power meter used in vhf-uhf applications. It has a 0- to 150-watt range covered in two steps: 0-50 watts and 0-150 watts. Attenuator AT1 provides a 50-ohm nominal resistive (dummy) load and uses metal film on glass construction. This dummy load is tapped to provide the proper operating voltage to the meter. Resistors R3 and R5 form a calibration network at 50 watts; R7 and R8 form a calibration network at 150 watts. Accuracy, at approximately 20C, is 5% for frequencies between 30 MHz and 600 MHz, 10% for frequencies between 0.6 GHz and 0.8 GHz, and 20% for frequencies between 0.8 and 1.0 GHz. When radio-frequency (rf) power is applied to AT1, this attenuator minimizes the effects of power factors generated by any reactive components. The rf energy is then detected and filtered by CR1 and C1, respectively. The resultant dc voltage, which is proportional to the input power, is applied to a sensitive microammeter via one of the calibration networks. This meter has a scale provided with two ranges: 0-50 watts and 0-150 watts. To protect the meter, you should always try the higher range first. If the value proves to be under 50 watts, a shift to the lower scale would provide improved accuracy.

Figure 3-14. - Vhf-uhf wattmeter.

In-Line Wattmeters

The AN/URM-120 in-line wattmeter, shown in figure 3-15, measures power applied to a 50-ohm impedance load and the power reflected from that load. The internal directional coupler is oriented such that it responds only to a wave traveling in one direction on the transmission line. The coupler can be rotated to accommodate either incidental or reflected power. The rf is then rectified, filtered, and applied to the meter, which is scaled in watts. The rf power of 50 to 1,000 watts can be measured between the frequencies of 2 MHz to 30 MHz; and 10 to 500 watts, between the frequencies of 30 MHz to 1,000 MHz.

Figure 3-15. - Typical in-line wattmeter.

Q.13 What is the advantage of using in-line wattmeters over output power meters? answer.gif (214 bytes)

Bolometer

A bolometer features a specially constructed element of temperature-sensitive material. The active material is a semiconductor bead supported between two pigtail leads. When rf power is applied to a bolometer element, the power absorption by the element heats the element and causes a change in its electrical resistance. Thus, a bolometer can be used in a bridge circuit so that small resistance changes can be easily detected and power measurement can be accomplished by the substitution method (that is, substitution of dc or low-frequency power to produce an equivalent heating effect). A D'Arsonval meter movement is usually employed as the null indicator.

According to one principle of measurement (the principle used in the balanced bridge), the bridge is initially balanced with low-frequency bias power. Rf power is then applied to the bolometer and the bias power is gradually removed until the bridge is again balanced. The actual rf power is then equal to the bias power removed.

According to another principle of measurement (the principle used in the unbalanced bridge), the bridge is not rebalanced after the rf power is applied. Rather, the indicator reading is converted directly into power by calibration previously performed.

Figure 3-16 illustrates the basic bolometer bridge circuit. The bolometer element must be physically small to be highly sensitive; it must be equally responsive to low-frequency and rf power; and it must be matched to the rf-input power line. The cross-sectional dimension of the bolometer element is approximately equal to the skin depth of rf current penetration at the highest frequency of operation. This condition permits the dc and rf resistivities to be essentially equal with the reactive component of the bolometer impedance at a minimum. Thermistors, which are a type of bolometer, use semiconductor material shaped like a bead, with a thicker skin depth and shorter length to minimize standing-wave effects. These physical properties assure correspondence between lengthwise low-frequency and rf power distribution to provide the necessary inherent accuracy of the bolometer.

Figure 3-16. - Basic bolometer bridge circuit.

An air-mounted bolometer provides a power sensitivity 100 or more times greater than that provided by static calorimetric devices. Additional sensitivity may be obtained by mounting the element within an evacuated envelope to eliminate convective heat loss. The small size of bolometer elements is associated with small thermal mass and short thermal time constants. The thermal time constant varies directly with the volume-to-area ratio of the element for a particular shape and composition. Typical time is up to 0.1 second for thermistor beads. The thermistor type of bolometer element is usually composed of a ceramic-like mixture of metallic oxides having a large negative temperature coefficient of resistance. Two fine platinum-alloy wires are embedded in the bead, after which the bead is heated and coated with a glass film. Typical dimensions of a thermistor bead used for microwave measurements are 0.015 inch along its major axis and 0.010 inch along its minor axis. The thermistor bead may be operated at high temperatures; it is rugged, both electrically and mechanically; it has high resistance-power sensitivity; and it has a good temperature-power sensitivity. In addition, it can endure large pulse energies; it has a sluggish thermal response; and it has negligible pulsed-power measurement errors. The more sensitive thermistor requires thermal shielding or heat compensation for best operation.

Q.14 What type of material is used in the construction of bolometers and thermistors? answer.gif (214 bytes)



Managed Security Service Provider


Privacy Statement - Copyright Information. - Contact Us

Integrated Publishing, Inc. - A (SDVOSB) Service Disabled Veteran Owned Small Business