Share on Google+Share on FacebookShare on LinkedInShare on TwitterShare on DiggShare on Stumble Upon
Custom Search
 
  

Automatic Gain/Volume Control (agc/avc)

Output volume variations of a receiver often result from variations in the input signal strength. Changes in input signal strength occur when we change stations or when we experience fading because of changing atmospheric conditions. The function of an AUTOMATIC GAIN CONTROL, also referred to as an AUTOMATIC VOLUME CONTROL, is to limit unwanted variations in the output of the receiver caused by variations in strength of the received signal input. A receiver without agc would require continuous manual readjustment to compensate for received signal changes so that it could maintain a constant output level.

Signals from stations operating at the same power level may not reach the receiver antenna with the same power. This is because of differences in transmission distances, carrier frequencies, atmospheric conditions, and obstructions between the transmitter and receiver antennas.

You might draw the conclusion that an agc network is not necessary when the receiver is operating on a single station. However, this is not true; atmospheric conditions may cause the signal strength to vary (fade in and out), or the antenna may receive components of the signal which have traveled along different paths. For example, one component may travel directly from the antenna, and another may have been reflected from a distant object. The two signals will sometimes be in phase and at other times be out of phase, thus tending to reinforce or cancel each other. The result is a variation in signal strength at the receiver antenna. This variation in signal strength is often referred to as FADING. The effect of fading in the output signal voltage of an rf stage is best demonstrated by the following example: An rf amplifier connected to a receiving antenna has a voltage gain of 100. If the antenna receives an input signal of 10 microvolts, the output voltage is computed as follows:

With the output voltage equal to 1 millivolt, and if fading is to be avoided, the output voltage must remain at 1 millivolt. However, if a reflected signal is received that is approximately one-half the strength (5 microvolts) of the original and is in phase with the original signal, the total input signal to the receiving antenna will increase to 15 microvolts. To maintain the desired 1 millivolt of output signal, you must somehow reduce the gain of the rf amplifier. With an input of 15 microvolts and a desired output of 1 millivolt (1,000 microvolts), the gain of the amplifier must be reduced to:

When the 10-microvolt original signal and the 5-microvolt reflected signal are out of phase with each other, the signal strength at the receiving antenna will decrease to 5 microvolts. If we want to maintain our original 1,000-microvolt output signal, the voltage gain of the amplifier must be increased as follows:

A variation of amplifier gain, similar to the example, is necessary if we are going to compensate for input signal strength variations. The required amplifier gain variations can be accomplished automatically by the addition of an agc circuit within the receiver. Let's take a look at the methods and circuits used to produce agc and the manner in which agc (avc) controls receiver gain.

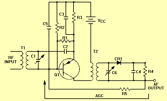
CIRCUITRY. - Figure 2-15 is a block diagram representing agc feedback to preceding stages. The detector circuit has a dc component in the output that is directly proportional to the average amplitude of the modulated carrier. The agc circuitry uses this dc component by filtering the detector output to remove the audio and IF components and by applying a portion of the dc component to the preceding stages. This agc voltage controls the amplification of any or all of the stages preceding the detector stage. Solid-state receivers may use either positive or negative voltage for agc. The type of transistors used and the elements to which the control voltage is applied determine which type we will have.

Figure 2-15. - Block diagram showing agc application.

The circuit shown in figure 2-16 produces a positive agc voltage. Transformer T1, diode CR1, capacitor C1, and resistor R1 comprise a series diode detector. The agc network is made up of R2 and C2. With normal detector operation and the positive (+) potential shown at the input, CR1 conducts. Conduction of the diode will cause a charging current (shown by the dashed line) to flow through agc capacitor C2 and agc resistor R2. This charging current develops a voltage across C2. When the potential across T1 reverses, the diode will be reverse biased and will not conduct. When this happens, the charging current ceases and C2 begins to discharge. The discharge path for C2 is shown by the solid arrows. The discharge path time constant of C2, R1, and R2 is chosen to be longer than the period (1/f) of the lowest audio frequency present in the output of the detector. Because of the longer time constant, C2 will not discharge much between peaks of the modulating signal, and the voltage across C2 will be essentially a dc voltage. This voltage is proportional to the average signal amplitude. Now, if the signal strength varies, C2 will either increase or decrease its charge, depending on whether the signal increases or decreases. Since the charge on the agc capacitor responds only to changes in the average signal level, instantaneous variations in the signal will not affect the agc voltage.

Figure 2-16. - Series diode detector and simple agc circuit.

You should remember that, depending on transistor types, the receiver may require either a positive or a negative agc voltage. A negative agc voltage could be easily obtained by reversing CR1. Once the values for R2 and C2 have been selected, the voltage divider action of the components is fixed, and the circuit operates automatically without further adjustment. If the average amplitude of the signal increases, the charge on C2 will also increase. If the signal amplitude decreases so does the charge on C2.

The agc voltages in a receiver provide controlled degenerative feedback. By adjusting the operating point of an amplifier, you can control the gain. Under no-signal conditions, bias of the rf and IF amplifiers is developed by standard means, such as self bias. With an applied signal, an agc voltage is developed, which in conjunction with normal biasing methods develops the operating bias for the amplifiers.

TRANSISTOR AMPLIFIER GAIN. - You have seen how a dc voltage that is obtained at the output of the agc network is proportional to, and will reflect, the average variations of the average signal level. Now all we have to do is use this agc voltage to control the amplification of one or more of the preceding amplifiers. Figure 2-17 illustrates a common-emitter amplifier with agc applied to the base element. A change in the agc voltage will change the operating point of the transistor and the dc emitter current. In this circuit, R1 and R4 form a voltage divider and establish no-signal (forward) bias on the base. Since a pnp transistor is used, the base has a negative potential. The agc voltage from the detector is positive with respect to ground and is fed to the base through dropping resistor R2. You will find when the dc output of the detector increases (because of an increase in the average signal level) the agc voltage will become more positive. This increased positive potential is applied to the base of Q1, which decreases the forward bias of Q1 and decreases the gain of the amplifier. Agc, in this application, works with controlled degenerative feedback. Use of an npn transistor, in the same configuration, would require the agc voltage to possess a negative potential.

Figure 2-17. - Common emitter amplifier with agc.

FORWARD AND REVERSE AGC. - When we use an agc voltage to cause degeneration by driving the amplifiers toward cutoff, it is referred to as REVERSE agc. Figure 2-18 shows the type of agc circuitry normally used with this method. A second method that uses agc is an application called FORWARD agc. In the case of forward agc, you'll find the amplifier is driven toward the saturation region of its characteristic curve. (Sometimes referred to as an energy diagram.)

Figure 2-18. - Reverse agc.

Let's look at our example. Assume the agc voltage is negative. Under this condition, Q1 is self biased; under no-signal conditions, it is operating well up on its characteristic curve. When a signal is applied, negative agc voltage is developed in the detector circuit and fed back to Q1, which increases forward bias. Any increase in signal level causes an increase in agc voltage. An increase in agc voltage increases conduction, which in turn drives the transistor to or near saturation. As the transistor approaches saturation, its gain is correspondingly reduced.

On the other hand, if the input signal level decreases, the negative agc voltage decreases. The forward bias is then reduced, and the transistor operates on a lower portion of its characteristic curve where gain is higher.

Forward agc provides you with better signal-handling capabilities; however, reverse agc is simpler to use, causes less loading of the tuned circuits, and produces smaller variations in input and output capacitance.

Q.17 What does manual gain control do to strong and weak signals, respectively? answer.gif (214 bytes)
Q.18 What is the purpose of agc/avc in a receiver?answer.gif (214 bytes)



Managed Security Service Provider


Privacy Statement - Copyright Information. - Contact Us

Integrated Publishing, Inc. - A (SDVOSB) Service Disabled Veteran Owned Small Business