Share on Google+Share on FacebookShare on LinkedInShare on TwitterShare on DiggShare on Stumble Upon
Custom Search
 
  

TX-TDX-TR System Operation (Subtraction) Now that you know how the individual units work, we can continue our discussion with their application in different systems. The following sections explain how the TDX and TDR are used with other synchros to add and subtract.

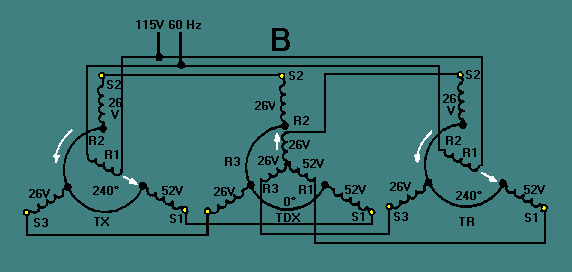
To understand how a TDX subtracts one input from another, first consider the conditions in a TX-TDX-TR system when all the rotors are on 0, as in view A of figure 1-20. In this case, the TDX is on electrical zero and merely passes along the voltages applied to its windings without any change. Therefore, the TX stator voltages are felt at the TDX rotor. With the system in perfect balance, the TDX rotor voltages equal and oppose the TR stator voltages so that no current flows in the circuit. Since there is no current to produce the torque required to move the TR rotor, the system will remain in this condition, thus solving the equation 0 - 0 = 0.

Figure 1-20A. - TX-TDX-TR system operation (subtraction).

Figure 1-20B. - TX-TDX-TR system operation (subtraction).

Figure 1-20C. - TX-TDX-TR system operation (subtraction).

Figure 1-20D. - TX-TDX-TR system operation (subtraction).

Up to this point, we have discussed the number of degrees a rotor is turned. Now, it is important to point out the labeling of synchro positions. Labeling is necessary to determine the actual position of the synchro's rotor. Notice that synchro rotor positions are labeled from 0, increasing in a counterclockwise direction. It is common practice to refer to a synchro transmitter as being on 120 when its rotor is pointing toward the S3 winding. Do not confuse these positions with the number of degrees a rotor is turned.

Assume that a 240 input is applied to the system, as indicated in view B, by turning the TX rotor to its 240 position. At this position maximum voltage is induced into the S1 winding of the TX and coupled to S1 of the TDX. Since the TDX rotor is on 0, it passes this maximum voltage (via R1) along to the S1 winding of the TR. The stator magnetic field in the receiver now lines up in the direction of the S1 winding and causes the rotor to turn counterclockwise to the 240 position. This illustrates an important point:

Whenever the TDX rotor is at 0, the TR rotor follows the TX rotor exactly. In the present case, the system has just solved the equation 240 - 0 = 240.

Before we go to another example, you need to understand that when you subtract a higher value of degrees from a lower value of degrees, you add 360 to the lower value and subtract directly.

For example: 10- 260

Add 360 to lower value: 10 + 360 = 370

Subtract: 370 - 260 = 110

In the next example, hold the TX rotor on 0 and turn the TDX rotor to 120, as illustrated in view C of figure 1-20. In this situation, R1 of the TDX has maximum voltage induced in its winding since it is in line with S2. With R1 of the TDX connected to S1 of the TR, the TR stator magnetic field lines up in the direction of S1 and causes the TR rotor to turn clockwise to the 240 position. Given, then, that the TX is on 360 (or the 0 position), and subtracting the 120 displacement of the TDX rotor, the difference is 240. This is the position at which the TR rotor comes to rest. Therefore, the system has solved the equation 360 - 120 = 240. The actual subtraction operation of the TDX is a little more apparent in the next example.

Now, consider what happens in view D when the TX rotor is turned manually to 75 and the TDX rotor is set manually on 30. When the TX rotor is turned to 75, magnetic coupling increases between the rotor and S1. This, in turn, increases the voltage in S1 and, therefore, the magnetic field surrounding it. At the same time, the field in S2 and S3 decreases proportionately. This causes the resultant TX stator field to line up in the direction of its rotor. The increased voltage in S1 of the TX also causes an increase in current flow through S1 in the TDX, while decreased currents flow through S2 and S3. Therefore, a strong magnetic field is established around the S1 winding in the TDX. This field has the greatest effect on the resultant TDX stator field and causes it to line up in the same relative direction as the TX stator field (75). The TDX stator field does not move from this 75 position because it is controlled by the position of the TX rotor. However, its angular position with respect to the R2 winding decreases by 30 when the TDX rotor is turned. Therefore, the signal induced into the TDX rotor and transmitted to the TR is 45. The TR rotor responds to the transmitted signal and turns counterclockwise to 45. This system has just solved the equation 75 - 30 = 45.

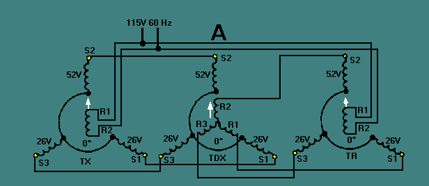
TX-TDX-TR System Operation (Addition) Frequently it is necessary to set up a TX-TDX-TR system for addition. This is done by reversing the S1 and S3 leads between the TX and the TDX, and the R1 and R3 leads between the TDX and the TR. With these connections, the system behaves as illustrated in figure 1-21. Consider what happens when the TX rotor is turned to 75, while the TDX is set at 0 view A. In the TX, with the rotor at 75, increased coupling between the rotor and S1 increases the current in, and consequently the magnetic field around, that coil. At the same time, the field strengths of S2 and S3 decrease proportionately. This causes the resultant field of the TX stator to rotate counterclockwise and align itself with its rotor field. The system is now connected so the increased current in S1 of the TX flows through S3 of the TDX, while decreased currents flow through S1 and S2. Therefore, in the TDX, the resultant stator field is shifted 75 clockwise because of the stronger field around S3. Since the rotor of the TDX is on 0, the voltage in the rotor is not changed but simply passed on to the TR. Remember, the R1 and R3 leads between the TDX and the TR have also been reversed. Just as in the simple TX-TR system with S1 and S3 leads interchanged, torque is developed in the TR, which turns the rotor in a direction opposite to the rotation of the TDX stator field. Therefore, the TR rotor rotates 75 counterclockwise and aligns itself with the TX rotor. Thus, the TX-TDX-TR system connected for addition behaves in the same way as the system connected for subtraction as long as the TDX rotor remains on 0. When this condition exists, the TR rotor follows the TX rotor exactly. As you can see, the system in view. A just solved the equation 75 + 0 = 75.

Figure 1-21A. - TX-TR system operation (addition).

Figure 1-21B. - TX-TR system operation (addition).

Now, with the TX in the same position (75), the TDX rotor is turned to 30 (view B). The angle between the TDX stator field and R2 is then increased by 30. This appears to the TR as an additional rotation of the TDX stator field. In transmitting the TX signal to the TR, the TDX adds the amount its own rotor has turned. The TR rotor now turns to 105. Thus, the equation 75 + 30 = 105 is solved.

Q.34 In a TDX system when does the TR rotor follow the TX rotor exactly? answer.gif (214 bytes)
Q.35 What is the angular position of a TX rotor when it is pointing toward the S1 winding? (Hint. Remember synchros are labeled counter clockwise from 0.) answer.gif (214 bytes)
Q.36 In a TDX system with standard synchro connections, the TX rotor is at 120 and the TDX rotor is at 40 What position will the TR indicate? answer.gif (214 bytes)
Q.37 What connections in a TDX system are reversed to set up the system for addition? answer.gif (214 bytes)



Managed Security Service Provider


Privacy Statement - Copyright Information. - Contact Us

Integrated Publishing, Inc. - A (SDVOSB) Service Disabled Veteran Owned Small Business