Share on Google+Share on FacebookShare on LinkedInShare on TwitterShare on DiggShare on Stumble Upon
Custom Search
 
  

Figure 1-9. - Operation of three electromagnets spaced 120 apart.

Figure 1-10A. - Positioning of a bar magnet with three electromagnets.

Figure 1-10B. - Positioning of a bar magnet with three electromagnets.

Figure 1-10C. - Positioning of a bar magnet with three electromagnets.

Figure 1-10D. - Positioning of a bar magnet with three electromagnets.

Figure 1-10E. - Positioning of a bar magnet with three electromagnets.

Figure 1-10F. - Positioning of a bar magnet with three electromagnets.

Notice in figure 1-10, in views A C,

and E, that the rotor positions are achieved by shifting the total current through different stator windings (S1, S2, and S3). This causes the rotor to move toward the coil with the strongest magnetic field. To obtain the rotor positions in views B, D, and F, it was necessary only to reverse the battery connections. This causes the direction of current flow to reverse and in turn reverses the direction of the magnetic field. Since the rotor follows the magnetic field the rotor also changes direction. By looking closely at these last three rotor positions, you will notice that they are exactly opposite the first three positions we discussed. This is caused by the change in the direction of current flow. You can now see that by varying the voltages to the three stator coils, we can change the current in these coils and cause the rotor to assume any position we desire.

In the previous examples, dc voltages were applied to the coils. Since synchros operate on ac rather than dc, consider what happens when ac is applied to the electromagnet in figure 1-11. During one complete cycle of the alternating current, the polarity reverses twice.

Figure 1-11. - Operation of an electromagnet with ac voltage.

Therefore, the number of times the polarity reverses each second is twice the excitation frequency, or 120 times a second when a 60-Hz frequency is applied. Since the magnetic field of the electromagnet follows this alternating current, the bar magnet is attracted in one direction during one-half cycle (view A) and in the other direction during the next half cycle (view B). Because of its inertia, the bar magnet cannot turn rapidly enough to follow the changing magnetic field and may line up with either end toward the coil (view C). This condition also causes weak rotor torque. For these reasons, the iron-bar rotor is not practical for ac applications. Therefore, it must be replaced by an electromagnetic rotor as illustrated in figure 1-12.

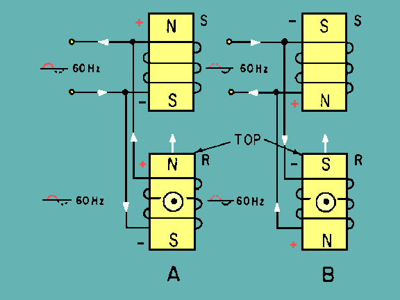
Figure 1-12. - Operation of fixed and moveable electromagnets with ac voltage.

In this figure, both stationary and rotating coils are connected to the same 60-Hz source. During the positive alternation (view A), the polarities are as shown and the top of the rotor is attracted to the bottom of the stationary coil. During the negative alternation (view B), the polarities of both coils reverse, thus keeping the rotor aligned in the same position. In summary, since both magnetic fields change direction at the same time when following the 60-Hz ac supply voltage, the electromagnetic rotor does not change position because it is always aligned with the stationary magnetic field.

Q.18 How do synchros differ from conventional transformers? answer.gif (214 bytes)
Q.19 Describe the zero-position of a synchro transmitter. answer.gif (214 bytes)



Managed Security Service Provider


Privacy Statement - Copyright Information. - Contact Us

Integrated Publishing, Inc. - A (SDVOSB) Service Disabled Veteran Owned Small Business