Share on Google+Share on FacebookShare on LinkedInShare on TwitterShare on DiggShare on Stumble Upon
Custom Search
 
  

CLOCKS AND COUNTERS

Clocks and counters are found in all types of digital equipment. Although they provide different functions, they are all constructed of circuits with which you are familiar. By changing the way the circuits are interconnected, we can build timing circuits, multipliers and dividers, and storage units. In this section we will discuss the purpose, construction, and operation of these important digital circuits.

CLOCKS

Clocks have been mentioned in the preceding section with regard to their action with FFs. You will recall that the clock is a timing signal generated by the equipment to control operations. This control feature is demonstrated in both the D and J-K FFs. Remember that the clock output had to be in a certain condition for the FFs to perform their functions.

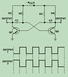
The simplest form of a clock is the astable or free-running multivibrator. A schematic diagram of a typical free-running multivibrator is shown in figure 3-20 along with its output waveforms. This multivibrator circuit is called free running because it alternates between two different output voltages during the time it is active. Outputs 1 and 2 will be equal and opposite since Q1 and Q2 conduct alternately. The frequency of the outputs may be altered within certain limits by varying the values of R2C1 and R3C2. You may want to review the operation of the astable multivibrator in NEETS, Module 9, Introduction to Wave-Generation and Wave-Shaping Circuits. Although the astable multivibrator circuit seems to produce a good, balanced square wave, it lacks the frequency stability necessary for some types of equipment.

Figure 3-20. - Free-running multivibrator.

The frequency stability of the astable multivibrator can be increased by applying a trigger pulse to the circuit. The frequency of the trigger must be higher than the free-running frequency of the multivibrator. The output frequency will match the trigger frequency and produce a more stable output.

Another method of producing a stable clock pulse is to use a triggered monostable or one-shot multivibrator. You will recall from NEETS, Module 9, that a one-shot multivibrator has one stable state and will only change states when acted on by an outside source (the trigger). A block diagram of a monostable multivibrator with input and output signals is shown in figure 3-21. The duration of the output pulse is dependent on the charge time of an RC network in the multivibrator. Each trigger input results in a complete cycle in the output, as shown in figure 3-21. Trigger pulses are supplied by an oscillator.

Figure 3-21. - Monostable multivibrator block diagram.

The circuits described previously are very simple clocks. However, as the complexity of the system increases, so do the timing requirements. Complex systems have multiphase clocks to control a variety of operations. Multiphase clocks allow functions involving more than one operation to be completed during a single clock cycle. They also permit an operation to extend over more than one clock cycle.

A block diagram of a two-phase clock system is shown in figure 3-22, view A. The astable multivibrator provides the basic timing for the circuit, while the one-shot multivibrators are used to shape the pulses. Outputs Q and Q are input to one-shot multivibrators 1 and 2, respectively. The resulting outputs are in phase with the inputs, but the duration of the pulse is greatly reduced as shown in view B.

Figure 3-22. - Two-phase clock: A. Block diagram; B. Timing diagram.

Clocks are designed to provide the most efficient operation of the equipment. During the design phase, the frequency, pulse width, and the number of phases required is determined; and the clock circuit is built to meet those requirements.

Most modern high-speed equipment uses crystal-controlled oscillators as the basis for their timing networks. Crystals are stable even at extremely high frequencies.

Q.33 What is a clock with regard to digital equipment?answer.gif (214 bytes)
Q.34 What is the simplest type of clock circuit? answer.gif (214 bytes)
Q.35 What is needed to use a monostable or one-shot multivibrator for a clock circuit? answer.gif (214 bytes)
Q.36 What type of clock is used when more than one operation is to be completed during one clock cycle?answer.gif (214 bytes)



Managed Security Service Provider


Privacy Statement - Copyright Information. - Contact Us

Integrated Publishing, Inc. - A (SDVOSB) Service Disabled Veteran Owned Small Business