bar graph of the positions and values as shown below: ">

Share on Google+Share on FacebookShare on LinkedInShare on TwitterShare on DiggShare on Stumble Upon
Custom Search
 
  

Octal to Decimal

Conversion of octal numbers to decimal is best done by the positional notation method. This process is the one we used to convert binary numbers to decimal.

First, determine the decimal equivalent for each position by multiplying 8 by itself the number of times indicated by the exponent. Set up a bar graph of the positions and values as shown below:

To convert an octal number to decimal, write out the number to be converted, placing each digit under the proper position.

Example:

Next, multiply the decimal equivalent by the corresponding digit of the octal number; then, add this column of figures for the final solution:

Solution: 7438 is equal to 48310

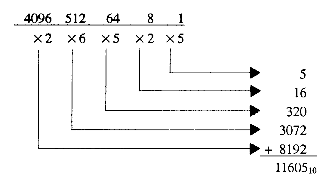
Now follow the conversion of 265258 to decimal:

Solution: 11,60510 is the decimal equivalent of 26,5258

To convert a fraction or a mixed number, simply use the same procedure.

Example: Change .58 to decimal:

Example: Convert 24.368 to decimal:

Solution: 24.368 equals 20.4687510

If your prefer or find it easier, you may want to convert the octal number to binary and then to decimal.

Convert the following numbers to decimal:

Q.97 178. answer.gif (214 bytes)
Q.98 648. answer.gif (214 bytes)
Q.99 3758 . answer.gif (214 bytes)
Q100. 0.48. answer.gif (214 bytes)
Q101. 0.61 8. answer.gif (214 bytes)
Q102. 10.228. answer.gif (214 bytes)



Managed Security Service Provider


Privacy Statement - Copyright Information. - Contact Us

Integrated Publishing, Inc. - A (SDVOSB) Service Disabled Veteran Owned Small Business