Share on Google+Share on FacebookShare on LinkedInShare on TwitterShare on DiggShare on Stumble Upon
Custom Search
 
  

 
DISHWASHING MACHINES

Proper operation and care of dishwashing machines are vital to the sanitation, safety, and efficiency of your activity, so you must know your machines and follow directions for their use and maintenance.

Dishwashing machines used in the Navy are classified as one-tank, two-tank or three-tank machines. The three-tank machine is a fully automatic, continuous racking machine that scrapes, brushes, and provides two rinses. It is used at major recruit installations and other large activities.

Single-tank Dishwashing Machine

Single-tank machines  are used in small ships or small messes whereby installation of larger dishwashing machines is not feasible and practical.

Wash and rinse sprays are controlled separately by automatic, self-opening, and self-closing valves in the automatic machine, or by handles in the manually operated machine. The automatic machine provides for a 40-second wash and a 10-second rinse; for manually

Figure 4-13.-Single-tank dishwashing machine.

 

operated machines, wash and rinse intervals are controlled by the operator who should allow a 40-second wash and a 10-second rinse.

To control the bacteria to a satisfactory minimum in single-tank machines, it is necessary that the temperature of the wash water in the tank be 140F to 160F. Therefore, a thermostat is provided in the automatic machines to prevent operation when the temperature of the water falls below 140F.

Rinsing is done by means of spraying hot water on the dishes from an outside source and is controlled by an adjustable automatic steam-mixing valve that maintains the temperature of the rinse water between 180F to 195F.

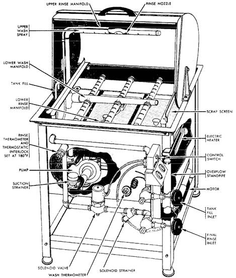
Double-tank Method

Double-tank machines  are available with several different capacities and are used when more than 150 persons are to be served. These machines are provided with separate wash and rinse tanks. They also have a final rinse of hot water that is sprayed on the dishes from an outside source. This spray is opened by the racks passing through the machine. The spray automatically closes when the rinse cycle is completed. The final rinse is controlled by an adjustable automatic steam-mixing valve that maintains the temperature between 180F to 195F. Double-tank machines are also equipped with a thermostatically operated switch in the rinse tank that prevents operation of the machine if the temperature of the rinse water falls below 180F. The racks pass through the machine automatically by means of conveyor chains. The two-tank dishwashing machine should be timed so that the utensils are exposed to the machine sprays for not less than 40 seconds (20-second wash, 20-second rinse).

Triple-tank Dishwashing Machines

Some shore activities have triple-tank dishwashing machines installed. The procedures of operation are basically the same as with double-tank machines with the following exceptions:

The dishwashing machine consists of prewash, wash, and rinse sections with a final rinse.

Refer to the manufacturer's operating and instruction manual for the preset temperatures of the

Figure 4-14.-Double-tank dishwashing machine.

prewash, wash, and rinse sections. The final rinse should always remain the same (180F to 195F).



Managed Security Service Provider
 


Privacy Statement - Copyright Information. - Contact Us

Integrated Publishing, Inc. - A (SDVOSB) Service Disabled Veteran Owned Small Business