Share on Google+Share on FacebookShare on LinkedInShare on TwitterShare on DiggShare on Stumble Upon
Custom Search
 
  

 

MEASURING EXPOSURE

The quantity of light can be measured in several ways. The most accurate method is the use of exposure meters. Photographic exposure meters are designed to be sensitive to light in the same reamer as panchromatic film. Therefore, an exposure meter reading can be assumed to be valid under any visible lighting condition. Several types of hand-held meters are available. Some measure incident light; some measure reflected light. Another line of light meters measure light only within the sensitivity range of the human eye.

However, for news photography and most other requirements of a Navy journalist, the built-in light meter described earlier in this chapter should more than satisfy your needs. This battery-powered meter, which measures reflected light, works automatically (unless you use the manual setting) to give you the correct exposure. When used manually, the built-in meter functions the same as a comparable hand-held meter and allows you to make whatever adjustments you prefer to achieve stylized or creative photographs. Except in cases involving special motion-picture film lighting and portrait studio work, the hand-held exposure meter has virtually been replaced by the built-in camera meter.

Before using any exposure meter, read the instruction book that comes with it to make sure that you use it correctly. The readings from an exposure meter, and the accuracy of the meter itself, are wholly dependent on the method used.

CAMERA SETTINGS

When the photographer knows the sensitivity of the film and the amount of light available, the user determines the settings on the camera that will give the film a correct exposure. The settings are the f/stops and the shutter speed. Together, they control the total amount of light allowed through the camera to form the latent image on the film.

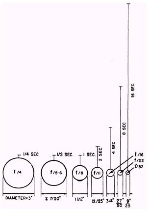
F/stops can range from f/1.4 (most amount of light) to f/22 (least amount of light). The f/stop system (factorial system) is always read as a whole number, not as a fraction or ratio.

Full stops in the English system of f/stops are as follows: 1.0, 1.4, 2.0, 2.8, 4.0, 5.6, 8, 11, 16, 22, 32, 45, 64, 90, and so on. Notice that the number doubles for each two-stop decrease in size. Slight optical confections are made for f/11 and f/45. This may seem confusing at first, but knowledge of the f/stop system is necessary to compute optical formulas used by advanced photographers. It is necessary to know that each marked f/stop on a lens, except its widest aperture, is usually a full stop - that is, it admits one-half or twice the amount of light as the adjacent stop, and the larger the number, the smaller the aperture. At first, it is perhaps easier to think of the f/stops in terms of fractions; 1/8 is larger than 1/11 which is, in turn, larger than 1/16.

Lens apertures can be set between marked f/stops. You could match information on the exposure calculation dial of an exposure meter. For example, if the light meter suggests an exposure of 1/125" at f/9.5,

Figure 11-20. - Comparison between aperture, f/stop andrelative exposure.

you could set the camera at 1/125" at f/8, allowing the film latitude to cover the difference, or at 1/125" with the lens aperture midway between V8 and f/l1, which would be more accurate (fig. 11-20).

Shutter speeds control the duration of time that light is allowed to pass through the lens aperture to the film. Shutter speeds are usually marked on the camera as the reciprocal of the fraction of a second that the shutter remains "open" (one is 1/1 or one second, two is 1/2 or one-half second, four is 1/4 or one-quarter second, and soon).

Standard shutter speeds are l", 1/2", 1/4", 1/8", 1/15", 1/30", 1/60", 1/125", 1/250", 1/500", 1/1000" and 1/2000".

f/Stop-Shutter Speed Combinations

With today's cameras offering you the opportunity to use automatic settings, you could just concern yourself with the f/stops of the camera and let the automatic shutter speed controls of the camera do the rest. However, should you choose to work with your camera in manual mode, you must understand the relationship between the f/stop and shutter speed.

Shutter speeds are indicated so that each marked

shutter speed admits one-half or two times the adjacent marked speed. Since both the lens aperture and shutter speed represent "full stop" changes in exposure, either can be moved as long as the other is moved a similar number of stops to compensate. A basic exposure of 1/125" at f/16 can be changed to 1/500" (two stops less light transmitted) at f/8 (two stops more light transmitted), and the result will be the same total amount of light transmitted to the film. Shutter speeds cannot be set between marked "stops." If an exposure is calculated to be 1/40" at f/8, using the closest shutter speed available on your camera, 1/30" or 1/60" will not result in an exposure error because of the exposure latitude of the film. An alternative is to set the shutter speed and an equivalent "half-stop" of lens apeture, such as 1/30" at f/9.5, or 1/60" at f/6.3.

With a selection of possible combinations, which should be used? Does it matter which is used? Why does the manufacturer put so many combinations on the camera? Before these questions are answered, you must understand the correlation of lens apertures and shutter speeds. Think of the lens aperture as a water pipe (the larger the diameter of the pipe, the more the water can flow). Extending this further, think of the film sensitivity in terms of a bucket that has to be filled and the light intensity as the water pressure.

If a bucket can be filled in 1/30" with a pipe 8 square inches in area, how long would it take to fill using a pipe 4 square inches in area? Obviously, twice as long - 1/15". If the exposure is calculated at 1/30" at f/11, how long an exposure is required at f/16 (the aperture one-half the area of f/11)? The answer is 1/15".

What happens if the water pressure increases? It takes less time to fill the bucket. If we use a larger bucket (lower ISO film speed), it takes more water (exposure) to fill it.

Shutter Speed Considerations

Generally, the shutter speed is chosen according to the amount the subject moves or how much of the movement you desire to show. If the subject moves slowly, a slower shutter speed can be used; if the subject moves rapidly, a faster shutter speed must be used to stop the movement and prevent blurring the image. Movement of the camera and photographer also must be considered. Therefore, the use of a tripod or similar brace is advisable when using a shutter speed slower than the reciprocal of the lens focal length; for example, 50mm lens (1/60"), and 200mm lens (1/250").

To stop the movement or action in a picture, you must consider the following three factors: l The relative movement of the subject . The subject's direction of movement . The camera-to-subject distance

THE RELATIVE MOVEMENT OF THE SUBJECT. - The faster the movement, the faster the shutter speed required. The term relative movement is used because if the motion of the subject is followed, that is, the action is "panned" with the camera, a slower shutter speed can be used than if the camera were held stationary.

THE SUBJECT'S DIRECTION OF MOVE-MENT. - A subject traveling at a right angle to the camera/lens axis requires a faster shutter speed than one traveling at a diagonal. Conversely, a subject moving toward or away from the camera, parallel to the lens axis, can be "stopped" with a slower shutter speed than movement in other directions (fig. 11-21).



Managed Security Service Provider
 


Privacy Statement - Copyright Information. - Contact Us

Integrated Publishing, Inc. - A (SDVOSB) Service Disabled Veteran Owned Small Business