Share on Google+Share on FacebookShare on LinkedInShare on TwitterShare on DiggShare on Stumble Upon
Custom Search
 
  

 
THE 20-MM MK 16 MOD 5 MACHINE GUN

The Mk 16 Mod 5 machine gun (fig. 3-85) is designed to be installed on board naval craft primarily for use against shore and surface targets. It is an

Figure 3-84.-Inserting the drive spring.

automatic, air-cooled weapon that is gas- and blowback operated. This gun is capable of firing 20-mm incendiary, armor-piercing, high-explosive ammunition at a maximum range of 7,000 yards. See table 3-3 for the other capabilities of this gun.

The principal components of the Mk 16 Mod 5 machine gun include the cradle, the gun barrel, the chamber lubricator, the recoil mechanism, the receiver, the breechblock, the sear mechanism magazine slide assembly, the rear buffer, the driving spring guide assembly, and the gas mechanism. Not all of these components are shown in figure 3-85 since they are located internally. This weapon is currently in limited use by the Navy and will most likely be replaced by the 25-mm gun over the next few years. Therefore, it will not be discussed in any further detail in this text.

Table 3-3.-Capabilities of the 20-mm Mk 16 Mod 5 Machine Gun

THE 25-MM M242 AUTOMATIC GUN

The M242 is considered a minor caliber gun. The 25-mm M242 automatic gun (fig. 3-86) is a short-range,

Figure 3-85.-20-mm Mk 16 Mod 5 machine gun.

Figure 3-86.-25-mm M242 automatic gun. 3-45

Figure 3-87 - The MK38 Mod 0 Machine Gun System

up to 2,700 yards, surface-to-surface weapon, designed for use aboard naval vessels operating in coastal and inland areas. The gun is mounted on the Mk 88 Mod 0 machine gun mount to form the Mk 38 Mod 0 machine gun system (fig. 3-87).

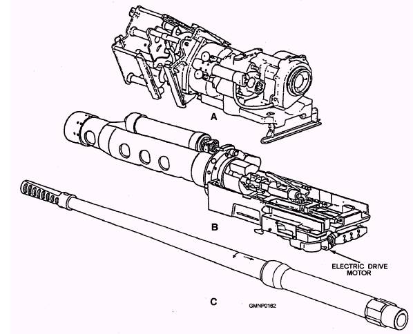
Gun operation is powered by an electric motor. The power supply is a 24-volt battery located externally to the gun. The electric motor, attached to the bottom of the receiver, drives all the moving parts of the gun. The gun consists of three major components-the feeder assembly, the receiver, and the barrel (fig. 3-88).

Driven by the electric motor, the feeder assembly transfers linked ammunition from the feed chute, strips rounds from links, places rounds onto the bolt face, and removes spent cartridge cases from the bolt. The M242 is often refereed to as a "chain gun" due to the design of Figure 3-87.-The Mk 38 Mod 0 machine gun system. the bolt mechanism. As shown in figure 3-89, the bolt

Figure 3-88.-M242 major components: A. Feeder assembly B. Receiver; C. Barrel.

is operated by a chain that is driven by the electric motor. The chain master link includes the slider that fits into a

perpendicular track on the bottom of the bolt carrier. As the chain is driven around the track, the slider moves the bolt forward and rearward with a dwell time at each position. The forward dwell time allows propellant gases to disperse after firing while the rear dwell time allows for the spent case to be ejected and a new cartridge inserted.



Managed Security Service Provider
 


Privacy Statement - Copyright Information. - Contact Us

Integrated Publishing, Inc. - A (SDVOSB) Service Disabled Veteran Owned Small Business