Share on Google+Share on FacebookShare on LinkedInShare on TwitterShare on DiggShare on Stumble Upon
Custom Search
 
  

 

TRUNNION SUPPORTS.- The right-hand trunnion support is a weatherproof, 8-foot-high housing bolted over an opening in the base ring. The structure contains an opening in its base through which the elevation chain drive extends.

The trunnion is a drive shaft keyed to the yoke on one end and splined to the elevation arc on the other.

This shaft transmits movements of the elevation arc to the launcher guide. The trunnion helps support the launcher guide and rotates on bearings mounted within an opening of the trunnion support.

The elevation chain drive is a chain and sprocket assembly that transmits the movements of a drive shaft in the base ring to the elevation arc. Four chains connect the lower sprocket to the upper sprocket. Each sprocket assembly has four wheels. The drive shaft in the base ring rotates the lower sprocket. The upper sprocket turns the elevation drive pinion that moves the elevation arc. The chain guide, near the lower sprocket, is a four-channel track that bears outward on the four chains to dampen their vibrations when operating. The chain tightener, near the upper sprocket, is also a four-wheel sprocket with an adjustment screw for establishing and maintaining the proper chain tension.

The left-hand trunnion support is physically similar to the right-hand structure. It holds the non-driven trunnion shaft and mainly serves to route cables and hoses up to the fixed rail and rotates with the base ring.

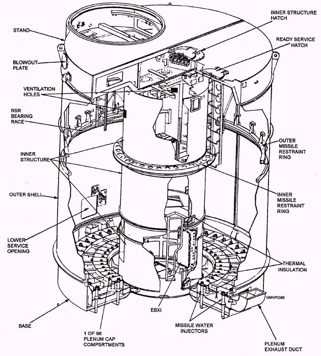
BASE RING.- The base ring is a circular, blastproof structure about 6 1/2 feet across and 17 inches high. It is designed to rotate within an off-center opening of the stand. The base ring also supports various components located inside the stand and trunnion supports.

Blast Door and Fixed Rail.- The blast door is a movable weldment that pivots up and aside to allow the transfer of a missile between the magazine and the launcher guide. With the door latched open, a spanning rail (about 4 1/2 inches long) on one side of the weldment aligns with a fixed rail on the base ring and the fixed rail on the guide arm. These rails provide the continuous tracks for the missile and the hoist. Also, when the door is open, a spud on the door aligns with the elevation positioner on the guide arm. The blast door drive is a hydraulic unit that opens and closes the blast door. One piston raises and lowers the door and another pivots the door sidewards through a 95-degree arc.

A small section of guide rail is attached to the structure of the base ring just below the blast door opening. It is called the fixed rail and rotates with the base ring. The fixed rail spans the distance between the top of the inner and outer retractable rails of the magazine and the spanning rail of the blast door.

Launcher Guide Power Unit.- The launcher guide power unit is an accumulator-type power supply that provides hydraulic fluid pressure to components in the launcher guide and the blast door. This power supply uses an electric motor to drive a rotary pump submerged in the main supply tank. A valve block regulates and filters the hydraulic fluid before charging three accumulators. Part of the structure of the base ring forms the supply tank for the launcher guide power unit.

Train and Elevation Mechanical Drives.- The train circle gear is mounted to and around the perimeter of the structure of the base ring. It is an external spur gear that meshes with the train drive pinion. Movement of the pinion rotates the base ring and launcher on the stand bearings.

Elevation drive components transmit the rotary motion of the elevation B-end motor to the chain drive mechanism in the right-hand trunnion support. A combination of shafts, couplings, and a planetary differential gearbox is in the base ring area.

Electrical Contact Ring.- The electrical contact ring (another term for a slip ring) is an electrical transfer device that allows continuous connections between the rotating base ring and the stationary magazine structure. The ring suspends from the bottom of the elevation planetary differential.

Train and Elevation Power Drives

The text will provide thorough coverage of the Mk 13 GMLS power drives in chapter 5. The Mk 13 GMLS power drives are mounted in the top inner structure of the magazine. (See fig. 7-4.)

MAGAZINE

The Mk 13 GMLS magazine (fig. 7-8) stows the missiles, transfers them up to or down from the launcher, and serves as a mounting pedestal for the launcher. The magazine may be divided into four main structural areas that contain the various major equipment assemblies.

Stand

The stand (shown in figure 7-8) is a stationary, round structure about 3 feet high. It forms the entire top part of the magazine structure. Besides the off-center base ring opening, the stand has four blowout plates equally spaced around its circumference. Two personnel hatches lead to the inner structure and the RSR areas.

Figure 7.8.-Magazine structure.

Outer Shell

The armor-plated outer shell is the structure between the stand and the base. Service openings are located near the bottom and halfway up the shell. They provide access to the warmup contractors and RSR components, respectively. A bearing race for the RSR rollers is attached to the upper section of the shell. A four-segment missile restraint ring is directly above the bearing race. If a missile accidentally ignites in the magazine, the restraint ring holds it in place.



Managed Security Service Provider
 


Privacy Statement - Copyright Information. - Contact Us

Integrated Publishing, Inc. - A (SDVOSB) Service Disabled Veteran Owned Small Business