Custom Search
 
  

 
COMPRESSION IGNITION SYSTEM

In the four-stroke cycle engine, air enters the cylinders through intake valves. As each piston moves downward on the intake stroke, the volume in the combustion chamber increases and the pressure decreases. The normal atmospheric pressure then forces the air into the cylinder through the intake valve.

Since the two-stroke cycle engine does not go through an intake stroke, a means must be provided to force air into the cylinders. The air enters through intake ports (uncovered when the piston approaches the bottom of the power stroke). (See. fig 7-5)) Since the exhaust valves are open when the intake ports are being uncovered, the incoming air forces the burned gases out through the exhaust valves and fills the cylinder with a supply of fresh air.

 

Figure 7-9.-Mounting of the unit injector in the cylinder head.

On the compression stroke, the exhaust valves are closed, the intake ports are covered, and the air is trapped in the cylinder. The rising piston compresses the air and raises its temperature. By the time the piston reaches the top of the stroke, the volume of the combustion chamber has been greatly reduced. The relation between the volume of the cylinder with the piston at the bottom of its stroke and the cylinder volume with the piston at the top of its stroke is called the COMPRESSION RATIO.

As the compression ratio is increased, the temperature of the air in the cylinder increases. Current gasoline engines operate at compression ratios between 6:1 and 11:1, but compression ratios of diesel engines range between 12:1 and 19:1. Remember, that on the compression stroke of a diesel engine the air is compressed to a range of 400 to 600 psi, which results in a temperature ranging from 700F to 1200F. However, when the fuel is injected into the cylinder and begins to burn, the pressure may increase to more than 1500 psi and the temperature may rise as high as 1800F.

You can find more detailed information on compression ignition systems in Engineman 3, NAVEDTRA 10539.

FUEL SYSTEM

The fuel system of a diesel engine draws fuel from the service tank and injects it into the engine cylinders. Figure 7-8 shows the units found in a typical unit-injector fuel system. The fuel pump draws the fuel from the tank through a primary strainer and delivers it under low pressure to the injector by way of the secondary filter. The injector is operated by a rocker arm. It meters, pressurizes, and atomizes the fuel as it is injected into the combustion chamber. The outlet line carries the excess fuel from the injector back to the fuel tank. In some units, a transfer pump is installed between the tank and the strainer. In other units, the injection pump and injection nozzles are separate units instead of a combined unit, as shown in figure 7-9.

A diesel engine will not operate efficiently unless clean fuel is delivered to the injector or injection nozzles. As the fuel is pumped into the fuel service tanks, it is purified. From the service tank the fuel is filtered before reaching the injection system, where the larger particles of the solids suspended in the fuel are trapped in the strainer. The filter separates the fine particles of foreign matter that pass through the strainer. Most strainers have a drain plug for removing the water, sludge, and other foreign matter. The strainers should be drained once each day.

There are many methods of fuel injection and just as many types of injection pumps and nozzles. The unit injector, shown in figure 7-9 consists basically of a small cylinder and a plunger and extends through the cylinder head to the combustion chamber. A cam, located on the camshaft adjacent to the cam that operates the exhaust valves, acts through a rocker arm and depresses the plunger at the correct instant in the operating cycle.

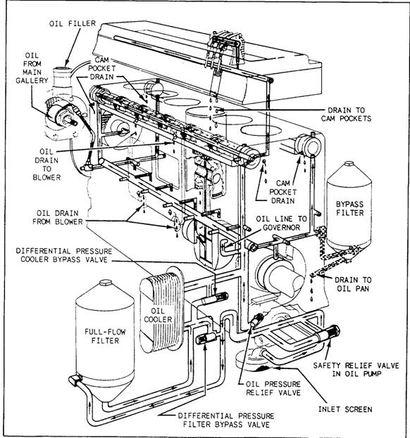
Figure 7-10.-typical lubication system.

When the injector plunger is depressed, a fine spray of fuel is discharged into the cylinder through small holes in the nozzle. The smooth operation of the engine depends, to a large extent, on the accuracy with which the plungers inject the same amount of fuel into every cylinder.

The amount of fuel injected into the cylinders on each stroke is controlled by rotating the plungers of a unit injector. The throttle, which regulates the speed of the engine, is connected to the injectors through a suitable linkage. A change in the throttle setting rotates the plungers and varies the amount of fuel injected into the cylinders on each stroke.



Managed Security Service Provider
 


Privacy Statement - Copyright Information. - Contact Us

Integrated Publishing, Inc. - A (SDVOSB) Service Disabled Veteran Owned Small Business