Custom Search
 
  

 
THREE-WAY SOLENOID VALVE.-The three-way trip valve (dump valve) is located on the back of the evaporator shell. Its function is to di-rect the flow of distillate to either the distilled water collecting tank or to waste. (See fig. 15-7.) During normal operating conditions, when accept-able distillate is being produced, the solenoid is energized and the valve lever is in the raised position. When tripped, either by a salinity cell or from loss of electrical power, this valve will automatically divert the flow of distillate to waste when the salinity reaches a predetermined set point

Figure 15-7.-Solenoid trip valve (dump valve).

(usually 0.065 epm). When the cause of the salinity alarm is corrected, or on restoration of electrical power, the dump valve must be manually reset by raising the lever.

WATER METER.-A water meter is located in the evaporator distillate line immediately downstream of the three-way solenoid trip valve. This direct-reading meter measures the production in gallons of acceptable distillate that is produced by the evaporator.

EVAPORATOR FEED PUMP.-The evaporator feed pump supplies feedwater to the distilling plant. This close-coupled, electric motor-driven pump is a horizontal, single-stage water pump with connections for seal cooling water lines and pressure gauges. Its discharge flow rate is controlled by the cooling water overboard valve and the feed rate control valve. The pump is located beneath the evaporator and is isolated from its mounting plate with vibration pads.

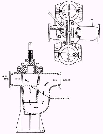
DUPLEX STRAINER.-A duplex strainer is provided in the feed pump discharge line to remove marine organisms and other particulate matter in the feedwater that may foul the evaporator unit. This basket strainer is of the duplex type (fig. 15-8) to permit continuous operation. If one basket becomes clogged, the feed flow can be shifted to the other clean basket,

Figure 15-8.-Feedwater duplex strainer.

and then the clogged basket can be opened, cleaned, and prepared for service.



Managed Security Service Provider
 


Privacy Statement - Copyright Information. - Contact Us

Integrated Publishing, Inc. - A (SDVOSB) Service Disabled Veteran Owned Small Business