|
SPRING-LOADED
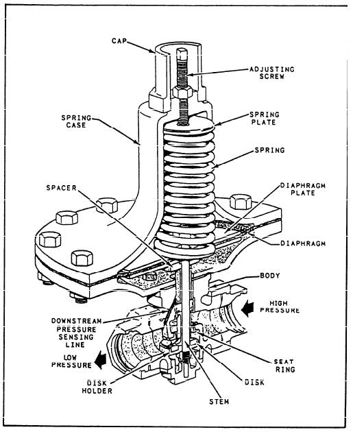
REDUCING VALVES.-One type of spring-loaded reduc-ing valve is shown in
figure 13-27. These valves are used in a wide variety of appli-cations.
Low-pressure air reducers, auxiliary machinery cooling-water reducing stations,
and some reduced-steam system reducers are of this type. The valve simply uses
spring pres-sure against a diaphragm to open the valve. On the bottom of the
diaphragm, the out-let pressure (the pressure in the reduced-pressure system)
of the valve forces the disk upward to shut the valve. When the out-let
pressure drops below the set point of the valve, spring pressure overcomes the
out-let pressure and forces the valve stem down-ward, opening the valve. As
outlet pressure increases, approaching the desired value, the pressure under
the diaphragm begins to overcome 
Figure 13-27.-Pressure-reducing
(spring-loaded) valve.
spring
pressure. This forces the valve stem upward, shutting the valve. Downstream
pressure can be adjusted by removing the valve cap and turning the adjusting
screw, which varies the spring pressure against the diaphragm. This particular
spring-loaded valve will fail in the open position in the case of a diaphragm
rupture.
|

|