Custom Search
 
  

 
CHAPTER 18

ADDITIONAL AUXILIARY EQUIPMENT

As an Engineman, you will work with a variety of equipment that is not directly related to the propulsion plant. Some examples are electro-hydraulic steering engines, cargo or weight-handling equipment, hydraulic systems, and laundry and galley equipment. Some equipment such as that in the laundry and galley will be operated by personnel assigned to the supply department. However, you will be expected to handle preventive maintenance and repairs. In general, the operator will clean the equipment and make minor adjustments. In some cases, the operator will perform routine maintenance. You, the Engineman, will handle repairs, replacements, or adjustments. An Electricians Mate will handle electrical work on all machinery and may be responsible for the entire machine if its operation is primarily electrical. After studying the information in this chapter, you should have a good understanding of the functions and basic operating principles of various kinds of electrohydraulic drive machinery and weight-handling equipment. You should be able to identify the major components associated with shipboard galley and laundry equipment and the major components of auxiliary boilers, and their functions, and their basic operating principles. You should also be able to recognize the requirements for boiler water testing and to identify the firemain components and isolation procedures.

ELECTROHYDRAULIC DRIVE MACHINERY

Hydraulic units drive or control steer-ing engines, windlasses, winches, capstans, cranes, ammunition hoists, and distant control valves. This chapter contains information on some hydraulic units that will concern you.

The electrohydraulic type of drive operates several different kinds of machinery. The following are some of the advantages of electrohydraulic machinery:

1. Tubing, which can readily transmit fluids around corners, conducts the liquid which transmits the force. Tubing requires very little space.

2. The machinery operates at variable speeds.

3. Operating speed can be closely con-trolled between minimum and maximum design limits.

4. The controls can be shifted from no load to full load rapidly without damage to machinery.

5. The machinery accelerates quickly.

ELECTROHYDRAULIC SPEED GEAR

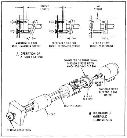
An electrohydraulic speed gear is frequently used for hydraulic power applications. Different variations of the basic design are used for specific applications, but the principles remain the same. Basically, the unit consists of an electric motor-driven hydraulic pump (A-end) and a hydraulic motor (B-end). (See chapter 13 of this manual for a discussion on axial-piston, variable-stroke pumps.)

The B-end (fig. 18-1) is already on stroke and will be made to rotate by the hydraulic force of the oil acting on the pistons. Movement of the pumping pistons at the A-end is controlled by a tilt box (also called a swash plate) in which the socket ring is mounted, as shown in part A of figure 18-1.

The length of piston movement, one way or the other, is controlled by the movement of the tilt box and by the amount of angle at which the tilt box is placed. The length of the piston move-ment controls the amount of fluid flow. When the drive motor is energized, the tilt box and pistons at the A-end rotate. However, when the tilt box is in the neutral or vertical position, there can be no reciprocating motion of the pistons.

Therefore, no oil is pumped to the B-end. Any angular movement of the tilt box, no matter how

Figure 18-1.-Electrohydraulic speed gear.

slight, causes pumping action to start. This causes immediate rotation of the B-end because of the transmission of force by the hydraulic fluid. To cause reverse rotation of the motor at the B-end, the tilt box at the A-end must be moved to shorten the stroke of the piston at the top and to lengthen the stroke of the piston at the bottom.

When reciprocating motion is required, such as for a steering engine, the B-end is replaced by two cylinders and a piston, or a ram. The force of the hydraulic fluid causes the ram (piston) to move inside the cylinders. The angle of the tilt box in the A-end may be set locally (as on the anchor windlass) or by remote control (as on the steering gear).



Managed Security Service Provider
 


Privacy Statement - Copyright Information. - Contact Us

Integrated Publishing, Inc. - A (SDVOSB) Service Disabled Veteran Owned Small Business