Custom Search
 
  

 
Capacity Control System

Most compressors are equipped with an oil pressure operated automatic capacity control system. The capacity control system unloads or cuts cylinders out of operation follow-ing any decrease in the refrigeration load requirements of the plant. A cylinder may be unloaded by a mechanism that holds the suction valve open so that no gas can be compressed.

Figure 16-9.-Diapbragm-type seal.

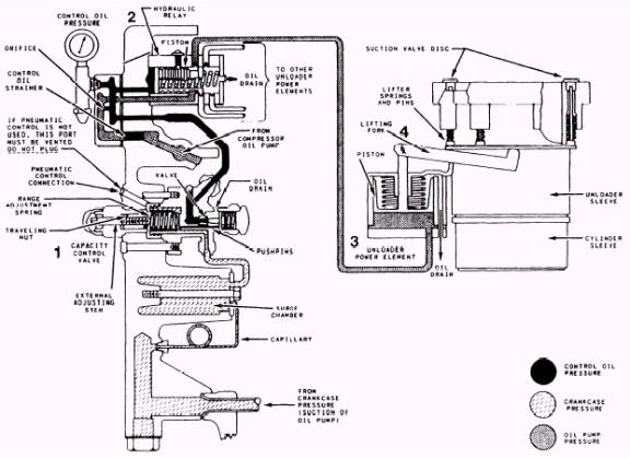
Since oil pressure is required to load or put cylinders into operation, the compressor will start with all controlled cylinders unloaded. But as soon as the compressor is brought up to speed and full oil pressure is developed, all cylinders will become operative. After the temperature pulldown period, the refrigeration load imposed on the compressor should decrease, and the capacity control system will unload the cylinders accordingly. Unloading of the cylinders results in reduced power consump-tion. In designs where numerous cooling coils are supplied by one compressor, the capacity control system will prevent the suction pressure from dropping to the low-pressure cutout setting. This action will prevent the compressor from stopping before all solenoid valves are closed. Several designs of capacity control systems are in use. One of the most common is shown in figure 16-10. The capacity control system consists of four major elements: (1) a capacity control valve, (2) a step control hydraulic relay, (3) a power element,. and (4) a valve lifting mechanism. We will briefly discuss each of these components.

CAPACITY CONTROL VALVE.-The function of the capacity control valve is to raise or lower control oil pressure to the hydraulic relay piston in response to changes in refrigerant suction pressure. An increase in suction pressure increases the control oil pressure in the hydraulic relay.

HYDRAULIC RELAY.-The function of the hydraulic relay is to feed the lubrication oil from the oil pump at full pressure in sequence to one

Figure 16-10.-Capacity control system.

or more power elements. The hydraulic relay is activated by the control oil pressure from the capacity control valve.



Managed Security Service Provider
 


Privacy Statement - Copyright Information. - Contact Us

Integrated Publishing, Inc. - A (SDVOSB) Service Disabled Veteran Owned Small Business