Custom Search
 
  

 
Vibration Isolators

Vibration isolators are designed to absorb the forces of relatively minor vibrations that are common to operating diesel engines. Such vibrations are referred to as high-frequency, low-amplitude vibrations, and they result from an unbalanced condition created by the motion of operating engine parts. Isolators can be equipped with coil springs or flexible pads to absorb the energy of engine vibrations. An isolator reacts in the same manner, whether it is of the spring type or the flexible pad type. Examples of both types

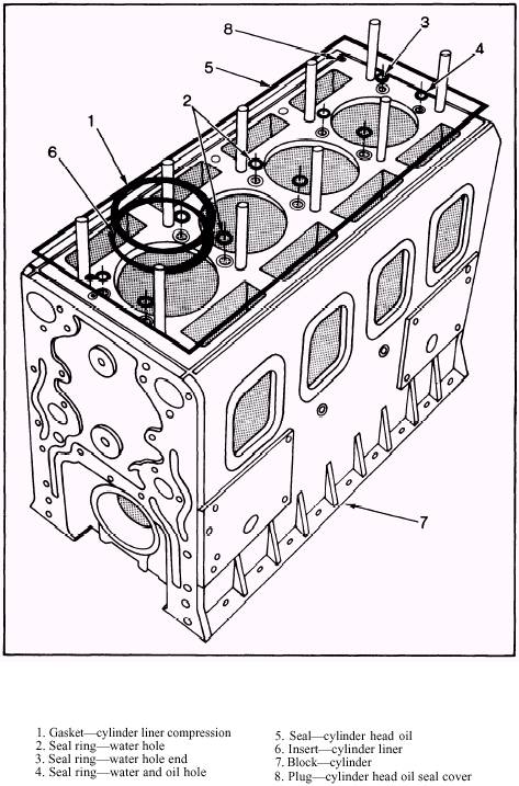
Figure 3-20.Cylinder head gaskets and oil and water seals.

of isolators are shown in figure 3-21 (views A and B). Four or more spring-type isolators, shown in view A of figure 3-21, are used to support a generator set. The flexible pad or rubber sandwich type of isolator, shown in view B, is used for the mounting of small Navy engines. The rubber block in the isolator shown in view B is bonded to steel plates that are fitted for attachment to the engine and the subbase.



Managed Security Service Provider
 


Privacy Statement - Copyright Information. - Contact Us

Integrated Publishing, Inc. - A (SDVOSB) Service Disabled Veteran Owned Small Business