|
Holding Work on a Faceplate
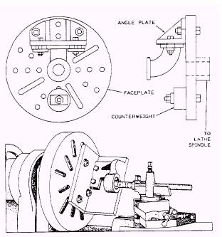
A faceplate is used for mounting work that cannot be
chucked or turned between centers because of its size or shape.
Work is secured to the faceplate by bolts, clamps, or
any suitable clamping means. The holes and slots in the faceplate are used for
anchoring the holding bolts. Angle plates may be used to position the work at
the desired

Figure 9-24.Work clamped to an angle plate.
angle, as shown in figure 9-24. Note the counterweight
added for balance.
For work to be mounted accurately on a faceplate, the
surface of the work in contact with the faceplate must be accurately faced. It
is good practice to place a piece of paper between the work and the faceplate
to prevent slipping.
Before you clamp the work securely, move it about on
the surface of the faceplate until the point to be machined is centered
accurately with the axis of the lathe. Suppose you wish to bore a hole, the
center of which has been laid out and marked with a prick punch. First, clamp
the work to the approximate position on the faceplate. Slide the tailstock up
until the dead center just touches the work. (NOTE: The dead center should have
a sharp, true point.) Now revolve the work slowly; if the work is off center,
the point will scribe a circle on the work. If the work is on center, the point
of the dead center will coincide with the prick punch mark.
|