Share on Google+Share on FacebookShare on LinkedInShare on TwitterShare on DiggShare on Stumble Upon
Custom Search
 
  

 

Gamma compensation is required at intermediate reactor power levels to ensure accurate power reading.

EO 2.4DESCRIBE how a compensated ion chamber compensates for gamma radiation.

Compensating for the response to gamma rays extends the useful range of the ionization chamber. Compensated ionization chambers consist of two separate chambers; one chamber is coated with boron, and one chamber is not. The coated chamber is sensitive to both gamma rays and neutrons, while the uncoated chamber is sensitive only to gamma rays. Instead of having two separate ammeters and subtracting the currents, the subtraction of these currents is done electrically, and the net output of both detectors is read on a single ammeter. If the polarities are arranged so that the two chambers' currents oppose one another, the reading obtained from the ammeter indicates the difference between the two currents. One plate of the compensated ion chamber is common to both chambers; one side is coated with boron, while the other side is not.

Figure 19 shows the basic circuitry for a compensated ion chamber.

Figure 19 Compensated Ion Chamber

The boron coated chamber is referred to as the working chamber; the uncoated chamber is called the compensating chamber. When exposed to a gamma source, the battery for the working chamber will set up a current flow that deflects the meter in one direction. The compensating chamber battery will set up a current flow that deflects the meter in the opposite direction. If both chambers are identical, and both batteries are of the same voltage, the net current flow is exactly zero. Therefore, the compensating chamber cancels the current due to gamma rays.

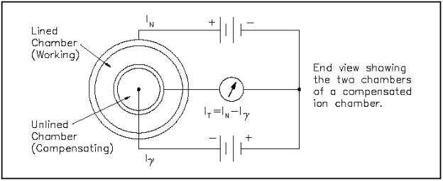
The two chambers of a compensated ion chamber are never truly identical; in fact, they are often purposely constructed in different shapes. The chambers are normally constructed as concentric cylinders, as illustrated in Figure 20.

Figure 20 Compensated Ion Chamber with Concentric Cylinders

The use of concentric cylinders has an advantage because both chambers are exposed to nearly the same radiation field. Even though the chambers are not identical, proper selection of the operating voltage eliminates the gamma current. Working chamber operating voltage is given by the manufacturer and is selected to cause operation on the flat portion of the response curve, where very little recombination occurs. If working chamber voltage is increased to operating voltage, and compensating voltage is left at zero, the measured current will be due to gammas only in the working chamber. For this reason, compensating voltage is set while the reactor is shutdown (a minimum number of neutrons are present).

As the compensating chamber voltage is raised, the measured current will decrease as more of the current from the working chamber is canceled by the current from the compensating chamber. Eventually, the voltage becomes large enough so that the two currents cancel. When the currents cancel, the chamber is said to be 100% compensated, and the measured current is zero. At 100% compensation, the detector will respond to neutrons alone.

The compensating chamber usually has a slightly larger sensitive volume than the working chamber. Increasing the compensating current to a value greater than the working chamber current results in a net negative current. In this condition, the chamber is said to be overcompensated. The compensating chamber cancels too much current from the working chamber, and the meter reads low. In this case, the compensating chamber cancels out all of the gamma current and some of the neutron current.

Percent compensation of a compensated ion chamber gives the percentage of the gamma rays which are canceled out. Percent compensation may be calculated based on measured current, when the detector is exposed to gamma rays only as given in Equation 6-9.

where

instrumentation%20and%20control_files/image229.jpg">

If measured current is zero, then percent compensation is 100%. If measured current is positive, the percent compensation is less than 100%, and the chamber is undercompensated. If the measured current is negative, the percent compensation is greater than 100%, and the chamber is overcompensated.

The ionization chamber compensation curve, Figure 21, is a plot of the percent compensation versus compensating voltage. This compensation curve must be plotted prior to using a compensated ion chamber.

In ideal situations, compensated ion chambers operate at 100% compensation, and indicated current is due to neutrons. Small changes in compensating voltage change the percent compensation.

Figure 21 Typical Compensation Curve

The consequences of operating with an overcompensated or undercompensated chamber are important. The purpose of nuclear instrumentation is to detect and measure neutron level, which is the direct measure of core power. If the compensating voltage is set too high, or overcompensated, some neutron current, as well as all of the gamma current, is blocked, and indicated power is lower than actual core power. If compensating voltage is set too low, or undercompensated, not all of the gamma current is blocked, and indicated power is higher than actual core power. At high power, gamma flux is relatively small compared to neutron flux, and the effects of improper compensation may not be noticed. It is extremely important, however, that the chamber be properly compensated during reactor startup and shutdown.

Summary

Compensated ion chambers are summarized below.

Compensated Ion Chamber Summary

A compensated ion chamber has two concentric cylinders: a boron-coated chamber and an uncoated chamber.

Both gammas and neutrons interact in the boron-coated chamber.

Only gammas interact in the uncoated chamber.

The voltages to each chamber are set so that the current from the gammas in the boron-coated chamber cancels the current from the gammas in the uncoated chamber.

 



Managed Security Service Provider
 


Privacy Statement - Copyright Information. - Contact Us

Integrated Publishing, Inc. - A (SDVOSB) Service Disabled Veteran Owned Small Business