Share on Google+Share on FacebookShare on LinkedInShare on TwitterShare on DiggShare on Stumble Upon
Custom Search
 
  

 

Steam f ow detection is normally accomplished through the use of a steam f ow nozzle.

EO 1.4

DESCRIBE density compensation of a steam flow instrument to include the reason density compensation is required and the parameters used.

The flow nozzle is commonly used for the measurement of steam flow and other high velocity fluid flow measurements where erosion may occur. It is capable of measuring approximately 60% higher flow rates than an orifice plate with the same diameter. This is due to the streamlined contour of the throat, which is a distinct advantage for the measurement of high velocity fluids. The flow nozzle requires less straight run piping than an orifice plate. However, the pressure drop is about the same for both. A typical flow nozzle is shown in Figure 8.

Figure 8 Flow Nozzle

Since steam is considered to be a gas, changes in pressure and temperature greatly affect its density. Equations 4-5 and 4-6 list the fundamental relationship for volumetric flow and mass flow.

and

where

It is possible to substitute for density in the relationship using Equation 4-7.

instrumentation%20and%20control_files/image123.jpg">

where

By substituting for density, the values are used by the electronic circuit to calculate the density automatically. Since steam temperature is relatively constant in most steam systems, upstream pressure is the only variable in the above equation that changes as the system operates. If the other variables are hardwired, measuring the system pressure is all that is required for the electronics to calculate the fluid's density.

As the previous equations demonstrate, temperature and pressure values can be used to electronically compensate flow for changes in density. A simple mass flow detection system is illustrated by Figure 9 where measurements of temperature and pressure are made with commonly used instruments.

Figure 9 Simple Mass Flow Detection System

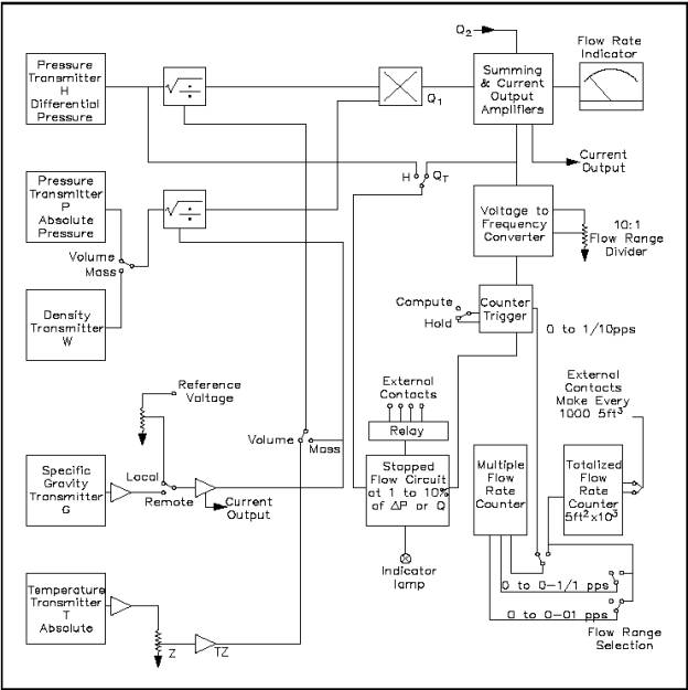
For the precise measurement of gas flow (steam) at varying pressures and temperatures, it is necessary to determine the density, which is pressure and temperature dependent, and from this value to calculate the actual flow. The use of a computer is essential to measure flow with changing pressure or temperature. Figure 10 illustrates an example of a computer specifically designed for the measurement of gas flow. The computer is designed to accept input signals from commonly used differential pressure detectors, or from density or pressure plus temperature sensors, and to provide an output which is proportional to the actual rate of flow. The computer has an accuracy better than at flow rates of 10% to 100%.

Figure 10 Gas Flow Computer

Summary

Density compensation is summarized below.

Density Compensation Summary

Changes in temperature and pressure greatly affect indicated steam flow.

By measuring temperature and pressure, a computerized system can be used to electronically compensate a steam or gas flow indication for changes in fluid density.

 



Managed Security Service Provider
 


Privacy Statement - Copyright Information. - Contact Us

Integrated Publishing, Inc. - A (SDVOSB) Service Disabled Veteran Owned Small Business