Share on Google+Share on FacebookShare on LinkedInShare on TwitterShare on DiggShare on Stumble Upon
Custom Search
 
  

 
Cells

Cells that can be recharged to nearly their original condition are called secondary cells. The most common example of a secondary, or rechargeable cell, is the lead-acid automobile battery.

Capacity

The capacity of a storage battery determines how long the storage battery will operate at a certain discharge rate and is rated in ampere-hours. For example, a 120 ampere-hour battery must be recharged after 12 hours if the discharge rate is 10 amps.

Internal Resistance

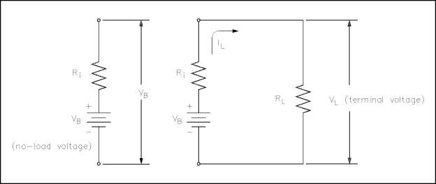
Internal resistance in a chemical cell is due mainly to the resistance of the electrolyte between electrodes (Figure 9).

Any current in the battery must flow through the internal resistance. The internal resistance is in series with the voltage of the battery, causing an internal voltage drop (Figure 10).

With no current flow, the voltage drop is zero; thus, the full battery voltage is developed across the output terminals (VB). If a load is placed on the battery, load resistance (RL) is in series with internal resistance (R).

Figure 9 Internal Resistance in a Chemical Cell

Figure 10 Internal Voltage Drop

When current flows in the circuit (IL), the internal voltage drop (ILRi) drops the terminal voltage of the battery as shown in Equation (4-3). Thus, internal resistance reduces both the current and voltage available to the load.

Shelf Life

The shelf life of a battery is the time which a battery may be stored and not lose more than 10 percent of its original capacity.

 



Managed Security Service Provider
 


Privacy Statement - Copyright Information. - Contact Us

Integrated Publishing, Inc. - A (SDVOSB) Service Disabled Veteran Owned Small Business