Share on Google+Share on FacebookShare on LinkedInShare on TwitterShare on DiggShare on Stumble Upon
Custom Search
 
  

 

Before introducing the laws associated with complex DC circuit analysis, the importance of voltage polarity and current direction must be understood. This chapter will introduce the polarities and current direction associated with DC circuits.

EO 1.10 DESCRIBE the difference between electron flow and conventional current flow.

EO 1.11 Given a circuit showing current flows, IDENTIFY the polarity of the voltage drops in the circuit.

Conventional and Electron Flow

The direction of electron flow is from a point of negative potential to a point of positive potential. The direction of positive charges, or holes, is in the opposite direction of electron flow. This flow of positive charges is known as conventional flow. All of the electrical effects of electron flow from negative to positive, or from a high potential to a lower potential, are the same as those that would be created by flow of positive charges in the opposite direction; therefore, it is important to realize that both conventions are in use, and they are essentially equivalent. In this manual, the electron flow convention is used.

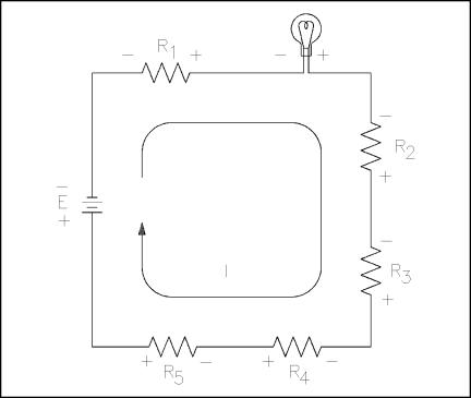
Polarities

All voltages and currents have polarity as well as magnitude. In a series circuit, there is only one current, and its polarity is from the negative battery terminal through the rest of the circuit to the positive battery terminal. Voltage drops across loads also have polarities. The easiest way to find these polarities is to use the direction of the electron current as a basis. Then, where the electron current enters the load, the voltage is negative (Figure 31). This holds true regardless of the number or type of loads in the circuit. The drop across the load is opposite to that of the source. The voltage drops oppose the source voltage and reduce it for the other loads. This is because each load uses energy, leaving less energy for other loads.

Figure 31 Voltage Polarities

Summary

The important information in this chapter is summarized below.

Voltage Polarity and Current Direction Summary

The direction of electron flow is from a point of negative potential to a point of positive potential.

The direction of positive charges, or holes, is in the opposite direction of electron flow. This flow of positive charges is known as "conventional flow."

Where the electron current enters the load, the voltage is negative.

 



Managed Security Service Provider
 


Privacy Statement - Copyright Information. - Contact Us

Integrated Publishing, Inc. - A (SDVOSB) Service Disabled Veteran Owned Small Business