Order this information in Print

Order this information on CD-ROM

Download in PDF Format

     

Click here to make tpub.com your Home Page

Page Title: Basic Logic Diagrams
Back | Up | Next

tpub.com Updates

Google


Web
www.tpub.com

Home

   
Information Categories
.... Administration
Advancement
Aerographer
Automotive
Aviation
Combat
Construction
Diving
Draftsman
Engineering
Electronics
Food and Cooking
Math
Medical
Music
Nuclear Fundamentals
Photography
Religion
USMC
   
Products
  Educational CD-ROM's
Printed Manuals
Downloadable Books
   

 

Basic Logic Diagrams

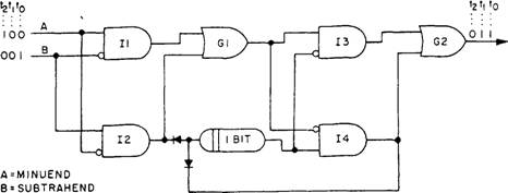
Basic logic diagrams are used to show the operation of a particular unit or component. Basic logic symbols are shown in their proper relationship so as to show operation only in the most simplified form possible. Figure 6-24 shows a basic logic diagram for a serial subtractor. The operation of the unit is described briefly in the next paragraph.

In the basic subtractor in figure 6-24, assume you want to subtract binary 011 (decimal 1) from binary 100 (decimal 4). At time 10, the 0 input at A and 1 input at B of inhibitor 11 results in a 0 output from inhibitor 11 and a 1 output from inhibitor 12. The 0 output from 11 and the 1 output from IZ are applied to OR gate Gl, producing a 1 output from Gl. The 1 output from IZ is also applied to the delay line. The I output from Gl along with the 0 output from the delay line produces 1 output from 13. The 1 input from Gl and the 0 input from the delay line produce a 0 output from inhibitor 14. The 0 output from L and the 1 output from 13 are applied to OR gate GZ producing a 1 output.

At time tl the 0 inputs on the A and B input lines of h produce 0 outputs from h and 12. The 0 inputs on both input lines of OR gate Gl result in a 0 output from Gl. The I input applied to the delay line at time to emerges (1 bit time delay) and is now applied to the inhibit line of 13 producing an 0 output from 13. The 1 output from the delay line is also applied to inhibitor 14, and along with the 0 output from Gl produces a 1 output from 14. The 14 output is recycled back into the delay line, and also applied to OR gate GZ. As a result of the 0 and 1 inputs from 13, and 14, OR gate GZ produces a 1 output.

At time tz, the 1 input on the A line and the 0 input on the B line of 11 produce a 1 output from 11 and a 0 output from 12. These outputs applied to OR gate G1 produce a 1 output from Gl, which is applied to 13 and 14- The delay line now produces a 1 output (recycled in at time tl), which is applied to 13 and 14. The 1 output from the delay line along with the 1 output from Gl produces a 0 output from 13. The 1 output from Gl along with the 1 output from the delay line produces a 0 output from 14- With 0 outputs from 13 and 14, OR gate GZ produces a 0 output.

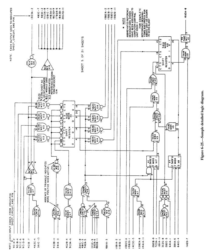
Detailed Logic Diagrams

Detailed logic diagrams show all logic functions of the equipment concerned. In addition, they also include such information as socket locations, pin numbers, and test points to help in troubleshooting. The detailed logic diagram for a complete unit may consist of many separate sheets, as shown in the note on the sample sheet in figure 6-25.

All input lines shown on each sheet of a detailed logic diagram are tagged to show the origin of the inputs. Likewise, all output lines are tagged to show

Figure 6-24.-Serial subtractor, basic logic diagrams.

 

 

destination. In addition, each logic function shown on the sheet is tagged to identify the function hardware and to show function location both on the diagram and within the equipment.

For example, in the OR function 5C3A at the top left in figure 6-13, the 5 identifies sheet number 5, C3 the drawing zone, and A the drawing subzone (the A section of module 5C3). The M14 is the module code number, which identifies the circuit by drawing number. The X15 is the partial reference designation, which when preceded by the proper reference designation prefix, identifies the function location within the equipment as described earlier.

 

 

 

 

 

Privacy Statement - Press Release - Copyright Information. - Contact Us - Support Integrated Publishing

Integrated Publishing, Inc. - A (SDVOSB) Service Disabled Veteran Owned Small Business