Order this information in Print

Order this information on CD-ROM

Download in PDF Format

     

Click here to make tpub.com your Home Page

Page Title: STANDARDS
Back | Up | Next

tpub.com Updates

Google


Web
www.tpub.com

Home

   
Information Categories
.... Administration
Advancement
Aerographer
Automotive
Aviation
Combat
Construction
Diving
Draftsman
Engineering
Electronics
Food and Cooking
Math
Medical
Music
Nuclear Fundamentals
Photography
Religion
USMC
   
Products
  Educational CD-ROM's
Printed Manuals
Downloadable Books
   

 

STANDARDS

American industry has adopted a new standard, Geometrical Dimensioning and Tolerancing, ANSI Y14.5M-1982. This standard is used in all blueprint production whether the print is drawn by a human hand or by computer-aided drawing (CAD) equipment. It standardizes the production of prints from the simplist hand-made job on site to single or multiple-run items produced in a machine shop with computer-aided manufacturing (CAM) which we explained in chapter 2. DOD is now adopting this standard For further information, refer to ANSI Y14.5M-1982 and to Introduction to Geometrical Dimensioning and Tolerancing, Lowell W. Foster, National Tooling and Machining Association, Fort Washington, MD, 1986.

The following military standards contain most of the information on symbols, conventions, tolerances, and abbreviations used in shop or working drawings:

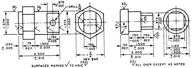
Flgure 4-19.-Typical examples of symbol use.

Privacy Statement - Press Release - Copyright Information. - Contact Us - Support Integrated Publishing

Integrated Publishing, Inc. - A (SDVOSB) Service Disabled Veteran Owned Small Business