Share on Google+Share on FacebookShare on LinkedInShare on TwitterShare on DiggShare on Stumble Upon
Custom Search
 
  

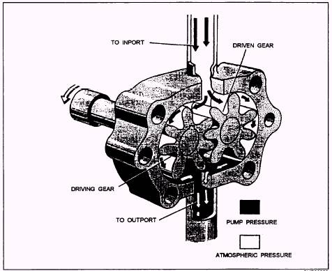
ROTARY PUMPS.- All rotary pumps have rotating parts that trap the fluid at the inlet (suction) port and force it through the discharge port into the system. Gears (figs. 3-7, 3-8, and 3-9), screws (fig. 3-10), lobes (fig. 3-11), and vanes (fig. 3-12) are commonly used to move the fluid. Rotary pumps are positive displacement of the fixed displacement type.

Rotary pumps are designed with very small clearances between rotating parts and stationary parts

Figure 3-7.- Gear-type rotary pump.

to minimize slippage from the discharge side back to the suction side. They are designed to operate at relatively moderate speeds. Operating at high speeds causes erosion and excessive wear which results in increased clearances.

There are numerous types of rotary pumps and various methods of classification. They may be classified by shaft position- either vertically or horizontally mounted; the type of drive- electric motor, gasoline engine, and so forth; their manufacturer's name; or service application. However, classification of rotary pumps is generally made according to the type of rotating element.

RECIPROCATING PUMPS.- The term reciprocating is defined as back-and-forth motion. In a reciprocating pump, it is the back-and-forth motion of pistons inside of cylinders that provides the flow of fluid. Reciprocating pumps, like rotary pumps, operate on the positive principle; that is, each stroke delivers a definite volume of liquid to the system.

The most common type of reciprocating pump is the hand pump (fig. 3-13). There are two types of manually operated reciprocating pumps- single action and double action. The single-action pump provides flow during every other stroke, while the double-action provides flow during each stroke. Single-action pumps are frequently used in hydraulic jacks.

Several types of power-operated hydraulic pumps, such as the radial piston (fig. 3-14) and axial piston (figs. 3-15 and 3-16), are classified as reciprocating pumps. These pumps are sometimes classified as rotary pumps, because a rotary motion is imparted to the pumps by the source of power. However, the actual pumping is performed by sets of pistons reciprocating inside sets of cylinders.



Managed Security Service Provider
 


Privacy Statement - Copyright Information. - Contact Us

Integrated Publishing, Inc. - A (SDVOSB) Service Disabled Veteran Owned Small Business